Пневмораспределители 5/2 и 5/3 с электропневмоуправлением
Пневмораспределители пятилинейные двух и трёхпозиционные типа К25D и K35D с резьбовым присоединением пневмолиний отличаются улучшенной конструкцией, большой пропускной способностью, надёжностью и возможностью эксплуатации в более сложных условиях. Данный тип пневмораспределителей имеет одно- и двухстороннее электропневмоуправление с возможностью ручного дублирования. Пневмораспределители 5/2 и 5/3 типа K25D и K35D выгодно использовать для управления пневмоцилиндрами из-за более широких функциональных возможностей.Пневмораспределители К25D и K25D2 могут быть использованы в качестве замены распределителей, имеющих пружинный возврат и Ду=10мм, Ду=16мм, таких как: В64-13А-03, В64-23А-03, а также В64-14А-03, В64-24А-03. Кроме того, данный тип пневмораспределителей взаимозаменяем с пневмораспределителями типа RFS 52/2-..
Габаритные и присоединительные размеры 5/2 пневмораспределителя с односторонним ЭПУ:

Габаритные и присоединительные размеры 5/2 пневмораспределителя с двухсторонним ЭПУ:

Схемы распределения потоков для 5/3 пневмораспределителей с 2-хсторонним ЭПУ:

Технические характеристики 5/3 пневмораспределителей:

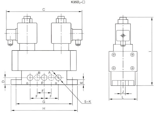
Габаритные и присоединительные размеры 5/3 пневмораспределителя с двухсторонним ЭПУ:


производитель
Китай
Если вы хотите купить пневмораспределители 5/2 и 5/3 с электропневмоуправлением , вы можете:
Позвонить:
