Пневмораспределители 5Р (4,6,10,16)-36..-3
Пневмораспределители 5Р(4, 6, 10, 16)-36..-3 относятся к группе распределителей с мускульным (ручным) управлением, имеющие 5 линий и 3 позиции. В качестве распределительного устройства применяется цилиндрический золотник с эластичными уплотнениями. Присоединение пневмолиний—резьбовые отверстия в корпусе.Пневмораспределители 5Р(4, 6, 10, 16)-36..-3 работают на сжатом воздухе, очищенном не грубее 10 класса загрязнённости по ГОСТ17433, с содержанием распылённого масла вязкостью от 10 до 35мм2/с (сСт) и при температуре 500С. Стандартное климатическое исполнение пневмораспределителей УХЛ4, исполнение О4 (для тропического климата) доступно только под заказ.
Структура условного обозначения:
5Р-Х-3 6 Х-3 УХЛ4, где:
5Р—пятилинейный пневмораспределитель;
Х—условный проход, мм: 4, 6, 10, 16;
3—число позиций;
6—вид управления: ручное (рычаг);
Х—схема присоединения пневмолиний в средней позиции золотника и способ возврата в среднюю позицию:
-1–все линии перекрыты, возврат пружинный;
-2–обе полости потребителя сообщены с атмосферой, возврат пружинный;
-6–все линии перекрыты, возврат ручной;
-7–обе полости потребителя сообщены с атмосферой, возврат ручной;
3—трубное присоединение пневмолиний, с дюймовой резьбой в корпусе распределителя;
УХЛ4—климатическое исполнение и категория размещения по ГОСТ15150.
Технические характеристики пневмораспределителей типа 5Р-Х-36..-3:
| Параметры | Нормы для типоразмеров | |||||||
| 5Р4- | 5Р6- | 5Р10- | 5Р16- | |||||
| 361-3 | 362-3 | 361-3 | 362-3 | 361-3 | 362-3 | 361-3 | 362-3 | |
| 366-3 | 367-3 | 366-3 | 367-3 | 366-3 | 367-3 | 366-3 | 367-3 | |
| Условный проход, Ду, мм | 4 | 6 | 10 | 16 | ||||
| Присоединение пневмолиний, дюйм: | G1/8 | G1/4 | G3/8 | G1/2 | ||||
| –канал питания (1) и выходные каналы (2), (4); | ||||||||
| –атмосферные каналы (3), (5) | G1/8 | G1/4 | ||||||
| Номинальное давление, МПа | 1,0 | 1,0 | 1,0 | 1,0 | ||||
| Пропускная способность, Кv (по ГОСТ 14691), м3/ч, не менее | 0,58 | 0,78 | 1,17 | 1,95 | ||||
| Усилие переключения при номинальном давлении, Н (кгс), не менее | 25 (2,5) | |||||||
| Масса, кг, не более | 0,150 | 0,155 | 0,195 | 0,21 | 0,195 | 0,21 | 0,195 | 0,21 |
Схемы распределения потоков:

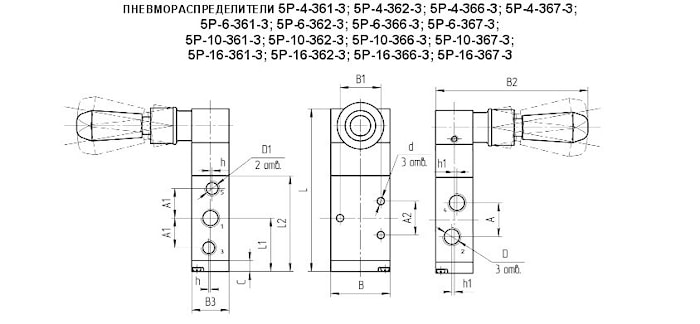
Габаритные и присоединительные размеры распределителей 5Р(4,6,10,16)-36..-3:


производитель
Пневмоаппарат
Если вы хотите купить пневмораспределители 5Р (4,6,10,16)-36..-3 , вы можете:
Позвонить:
