Пневмораспределители 3МП-16, 3МП-25, 3МП-40
Пневмораспределители типа 3МП16(М)-, 3МП25(М)-, 3МП40(М)- представляют собой трехлинейные сдвоенные распределители с односторонним электропневматическим управлением, пневматическим возвратом и ручным дублированием потока сжатого воздуха, которые нашли самое широкое применение в пневмоприводах кузнечно-прессовых машин. Пневмораспределители 3МП 16(М)-, 3МП 25(М)- и 3МП 40(М)- являются аналогами пневмораспределителей У71-22А, У71-24А и У71-26А соответственно, отличаясь от типа У71- чуть меньшим расходом воздуха. Как правило распределители типа 3МП16(М)-, 3МП25(М)-, 3МП40(М)- устанавливаются на прессах, имеющих одноручные или педальные системы управления.
Технические характеристики распределителей типа 3МП-..:
| Параметры изделия | Норма для исполнений | ||
| 3МП-16(М) | 3МП-25(М) | 3МП-40(М) | |
| Условный проход, мм | 16 | 25 | 40 |
| Присоединительная резьба | К½" | К1" | К½" |
| вход D | К¾" | К1¼" | К2" |
| выход D1 | |||
| Номинальноедавление, МПа (кгс/см2) | 1,0 (10,0) | ||
| Минимальное давление, МПа (кгс/см2) | 0,25 (2,5) | ||
| Пропускная способность пневматической линии "вход"-"выход", | 6,5 | 11,5 | 22 |
| Kv , м3/ч, не менее | |||
| Пропускная способность пневматической линии "выход"-"атмосфера", | 12,5 | 18 | 30 |
| Kv , м3/ч, не мен. | |||
| Время включения при давлении 0,63 МПа, с | 0,06 | ||
| Время выключения при давлении 0,63 МПа,с | 0,08 | 0,12 | |
| Общая утечка воздуха из полостей распределителя, см3/мин, не более | 1000 | ||
| Максимальное число срабатываний при давлении 0,63 МПа, мин | 100 | 90 | 70 |
| Электрическое напряжение постоянного тока, В | 24±2,4 110±11 | ||
| Потребляемая мощность, Вт, не более | 20 | ||
| Средняя наработка до отказа, циклов, не менее | 1х106 | ||
| Полный средний ресурс, циклов, не менее | 2х106 | ||
| Масса, кг, не более | 7.0 | 6,9 | 12,5 |
| Рассогласование сигналов управления, с, не более | 0,5 | ||
Примечание:
| Пневмораспределители типа 3МП-.. работают на сжатом воздухе, очищенном не грубее 10 класса загрязненности по ГОСТ 17433—80 и содержащем распыленное масло вязкостью от 10 до 35 мм2/с (сСт) при температуре 50 ° С с концентрацией из расчета 1—2 капли на 1 м3 воздуха, приведенного к нормальным условиям, т.е температуре 20 ° С. |

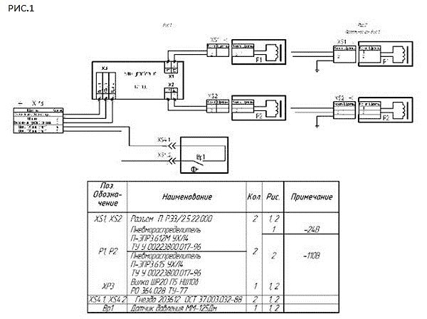
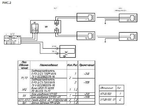
Электрическая принципиальная схема распределителей типа 3МП-40М--см.рис.2

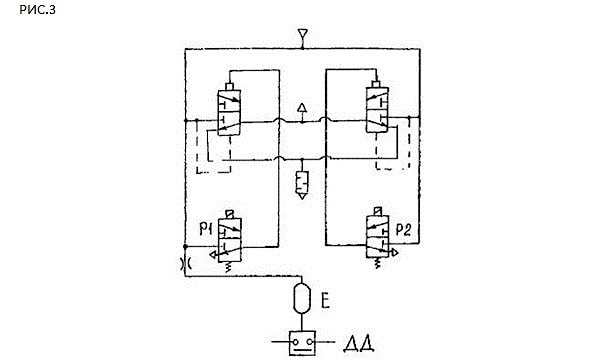
Схема пневматическая 3МП-16М и 3Мп-25М--см.рис.3, где :
Р1, Р2--распределитель типа П-ЭПР3.612М (24в) в количестве 2 штук;
ДД--датчик давления типа М-125 в количестве 1 штуки.

Схема пневматическая 3МП-40М--см.рис.4, где:
Р1, Р2--распределитель типа П-РЭ3/2,5 7312М (24в) в количестве 2 штук;
ДД--датчик давления типа М-125 в количестве 1 штуки.

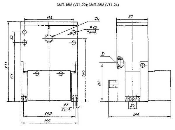
Габаритные и присоединительные размеры пневмораспределителей типа 3МП-..:


производитель
Пневматика
Если вы хотите купить пневмораспределители 3МП-16, 3МП-25, 3МП-40 , вы можете:
Позвонить:
