Клапан предохранительный типа СКП-..
Для предохранения гидравлических систем от перегрузок и для поддержания постоянного давления в системе служат предохранительные клапаны типа СКП. Клапаны предохранительные типа СКП эксплуатируются на чистых минеральных маслах с кинематической вязкостью от 20 до 350 мм2/с (Ст) и t масла от +50С до +500С.Клапаны СКП различаются по виду присоединения:
–резьбовое (тип СКП-..);
–притычное (иначе стыковое (тип СКП-С..)
Пример условного обозначения: СКП-12/6,3 УХЛ4; СКП-С12/63 О4.1
Технические характеристики клапанов предохранительных типа СКП-..
| Наименование параметра | Тип клапана | ||
| СКП-12/6,3 (СКП-С12/6,3) | СКП-12/25 (СКП-С12/25) | СКП-12/63 (СКП-С12/63) | |
| Условный проход, мм | 12 | ||
| Давление, МПа: | |||
| —номинальное | 0,63 | 2,5 | 6,3 |
| —минимальное | 0,03..0,1 | 0,63 | 1,5 |
| Расход, л/мин.: | |||
| —номинальный | 5 | 20 | 20 |
| —минимальный | 0,08 | 1,0 | 1,0 |
| Масса, кг | 0,7 | ||
| Примечание:Ном.расход зависит от диаметра подводящего трубопровода, так ном.расход 5 л/мин. соответствует условному проходу трубопровода 6 мм, ном.расход 20 л/мин—условному проходу трубопровода 12 мм. | |||
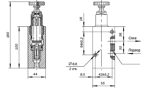
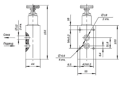
Габаритные и присоединительные размеры предохранительных клапанов типа СКП-..
1. Клапан СКП с резьбовым присоединением

2. Клапан СКП-С с притычным присоединением

производитель
НЗСФО
Если вы хотите купить клапан предохранительный типа СКП-.. , вы можете:
Позвонить:
