Реле давления малогабаритное типа МРД
Для осуществления контроля давления в смазочных системах различных станков, прессов и других машин используют реле малогабаритное типа МРД. Реле МРД устанавливают в смазочных системах, работающих на чистых минеральных маслах с кинематической вязкостью от 10 до 600 мм2/с (сСт) и t масла от +50С до +500С.Реле малогабаритное типа МРД предназначено для стран с умеренным и холодным климатом (климатическое исполнение и категория размещения УХЛ4), а также для стран с тропическим климатом (О4.1) и эксплуатируются при t от +10С до +400С.
Реле МРД выпускаются двух видов:
–нерегулируемые;
–регулируемые.
Технические характеристики реле давления типа МРД
| Реле | Наименование параметра | |||||||
| Тип реле | Номинальное давление, МПа | Диапазон регулирования давления, МПа | Погрешность срабатывания, %, не более | Напряжение питания постоянного тока, В | Длительный ток через контакты, А | Частота включений в минуту, не более | Масса, кг | |
| МРД 0,6 | Нерегулируемые | 0,06 | ±10 | 24 | 0,5 | 2 | 0,15 | |
| МРД 6,3 | 0,63 | |||||||
| МРД 10 | 1,0 | |||||||
| МРД 16 | 1,6 | |||||||
| МРД 25 | 2,5 | |||||||
| МРД 32 | 3,2 | |||||||
| МРДР 1,6 | Регулируемые | 0,16 | 0,02-0,16 | ±10 | 24 | 0,5 | 2 | 0,2 |
| МРДР 6,3 | 0,63 | 0,1-0,63 | ||||||
| МРДР 32 | 3,2 | 0,63-3,2 | ||||||
| МРДР 63 | 6,3 | 0,63-6,3 | ||||||
Пример условного обозначения: реле давления МРД-25 УХЛ4; реле давления МРД-10 УХЛ4.
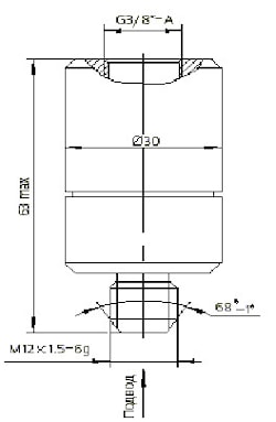
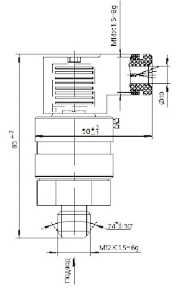
Габаритные и присоединительные размеры реле давления типа МРД
1. Реле давления МРД нерегулируемое

2. Реле давления МРД регулируемое

производитель
НЗСФО
Если вы хотите купить реле давления малогабаритное типа МРД , вы можете:
Позвонить:
