Предохранительные клапаны МКПВ

При более высоких давлениях и больших расходах целесообразно применять клапаны непрямого действия, каковыми являются клапаны типа МКПВ. Предохранительные клапаны непрямого действия в основном состоят из главного клапана и вспомогательного (пилотного) клапана, при этом вспомогательный клапан является клапаном прямого действия. Необходимое в гидросистеме давление устанавливается на вспомогательном клапане благодаря встроенному элементу настройки давления.
По виду присоединения различают клапаны МКПВ стыкового и трубного монтажа.
Устройство и принцип работы предохранительного клапана типа МКПВ стыкового монтажа:
Рис.1

1.-главный клапан; 2.-вспомогательный клапан; 3.-вставной картридж с плунжером; 4., 5.-демпферы; 6.,7.-линии управления; 8.-шарик; 9.-пружина; 11.-демпфер; 12.-пружинная камера; 13.-внутрення линия управления; 14.-наружное отверстие; 15.-линия управления (Х): 16.-отверстие.
см.Рис.1
Давление в линии А воздействует на плунжер (3), одновременно с этим рабочая жидкость под давлением через линии управления (6, 7) и демпферы (4, 5, 11 ) поступает под шарик (8) в верхнюю пружинную полости плунжера (3). При увеличении давления в линии А до величины, на которую настроена пружина (9), (величина сжатия пружины обычно регулируется винтом), шарик (8) отходит от седла. Это даёт возможность управляющему потоку рабочей жидкости вытекать из пружинной полости (3) через линию управления (7), демпфер (11) и шарик (8) в пружинную камеру (12). Далее поток рабочей жидкости по внутренней линии управления (13) и через наружное отверстие (14) сливается в бак. Из-за потерь давления в демпферах (4) и (5) создаётся перепад давлений на плунжере (3), в результате чего открывается соединение линий А-В и поток рабочей жидкости может проходить из линии А в линию В, тем самым поддерживая в линии А установленное давление.
Возможна разгрузка предохранительного клапана от давления через линию управления Х (15) или же переключение его на более низкое давление (вторую ступень давления). Поток управления может выводиться отдельно в бак через отверстие (14) при перекрытом отверстии (16), в этом случае влияние подпора в линии В на настройку давления может быть исключено.
Предохранительные клапаны типа МКПВ стыкового и трубного монтажа широко применяются в гидроприводах различного оборудования, например, кузнечно-прессового, литейного, а также в мобильной технике.
Структура условного обозначения клапанов типа МКПВ:

Пример условного обозначения предохранительных клапанов МКПВ стыкового монтажа: МКПВ-10/3 С2Р2 УХЛ4; МКПВ-20/3 С3В1 110В УХЛ4; предохранительных клапанов МКПВ трубного монтажа: МКПВ-32/3 Т2Р3 О4; МКПВ-20/3 Т3Р1 24В УХЛ4.
Технические характеристики гидроклапанов предохранительных типа МКПВ_/3 С и МКПВ_/3 Т:

Графическое обозначение клапанов МКПВ в зависимости от их функции.

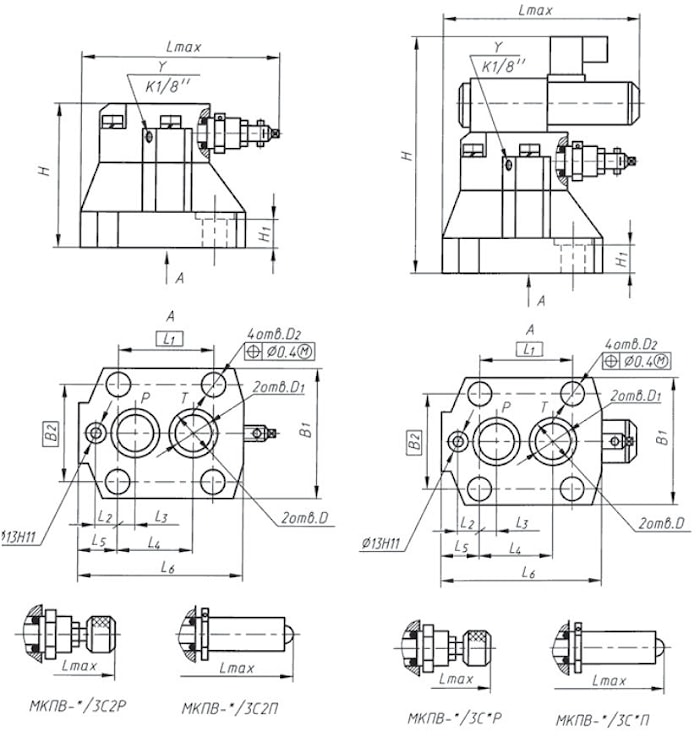
Габаритные и присоединительные размеры клапанов предохранительных стыкового монтажа МКПВ-../3 С..





Габаритные и присоединительные размеры клапанов предохранительных трубного монтажа МКПВ-../3 Т..


производитель
Республика Беларусь
Если вы хотите купить предохранительные клапаны МКПВ , вы можете:
Позвонить: