Реле давления РД-4/25М
Аналогично реле давления типа РД-23 реле давления типа РД-4/25М служат для контроля давления рабочей среды в пневматических, гидравлических и смазочных системах различного назначения.Рабочая (контролируемая среда) может быть:
–сжатый воздух, очищенный не грубее 10 класса загрязненности по ГОСТ 17433;
–минеральное масло с кинематической вязкостью от 4 до 400 мм /с (сСт) с номинальной тонкостью фильтрации не грубее 13 класса чистоты по ГОСТ 17216 с температурой масла от плюс 10° до плюс 55°С
–пароводяная смесь с температурой до плюс 60°С.
РД-4/25М могут иметь климатическое исполнение УХЛ; О и категорию размещения 4 по ГОСТ 15150.
Степень защиты, обеспечиваемая конструкцией реле давления от воздействия окружающей среды - IP 20 по ГОСТ 14254.
Технические характеристики реле давления типа РД-4/25М
| Параметры | РД-4/25М |
| Номинальное давление, МПа | 2,5 |
| Присоединение пневмолиний, дюйм | Стыковое или К1/4 |
| Диапазон контролируемых давлений, МПа: минимальное давление отключения, не более | 0,01 |
| Диапазон контролируемых давлений, МПа: максимальное давление включения, не менее | 0,12 |
| Диапазон контролируемых давлений, МПа: зона нечувствительности, не более | 0,03 |
| Напряжение переменного тока частотой 60 и 50 Гц, В | До 660 |
| Напряжение постоянного тока, В | До 440 |
| Номинальный ток, А | 2,5 |
| Масса, кг, не более | 0,28 |
Пневмосхема реле типа РД-4/25М

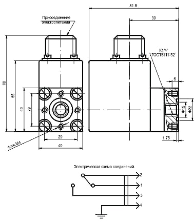
Габаритные и присоединительные размеры реле давления типа РД-4/25М

производитель
Пневмоаппарат
Если вы хотите купить реле давления РД-4/25М , вы можете:
Позвонить:
