Пневмодроссель с обратным клапаном П-ДК 2,5
   Пневмодроссель с обратным клапаном П-ДК 2,5 в линейке пневмодросселей с обратным клапаном типа П-ДК и П-ДМ имеет наименьший условный проход--Ду 2,5мм. Дроссель П-ДК 2,5 регулирует расход сжатого воздуха в одном направлении и обеспечивает свободный проход воздуха в обратном направлении. Дроссель устанавливается в пневматических приводах и системах управления. Технические характеристики пневмодросселя с обратным клапаном типа П-ДК 2,5
| Наименование параметра | Значение параметра | 
| Условный проход, мм | 2,5 | 
| Номинальное давление, Мпа (кгс/см2) | 1,0 (10,0) | 
| Пропускная способность (Kv) через открытый обратный клапан, м³/ч, не менее | 0,063 | 
| Пропускная способность (Kv) через открытый дроссель при закрытом обратном клапане, м³/ч, не менее | 0,1 | 
| Утечка воздуха в направлении дросселирования при закрытом дросселе, в диапазоне рабочих давлений, см³/мин, не более | 25 | 
| Диапазон рабочих давлений, МПа (кгс/см?) | 0,05…1,0 (0,5…10) | 
| Давление открывания обратного клапана, МПа (кгс/см²), не более | 0,03 (0,3) | 
| Масса, кг, не более | 0,055 | 
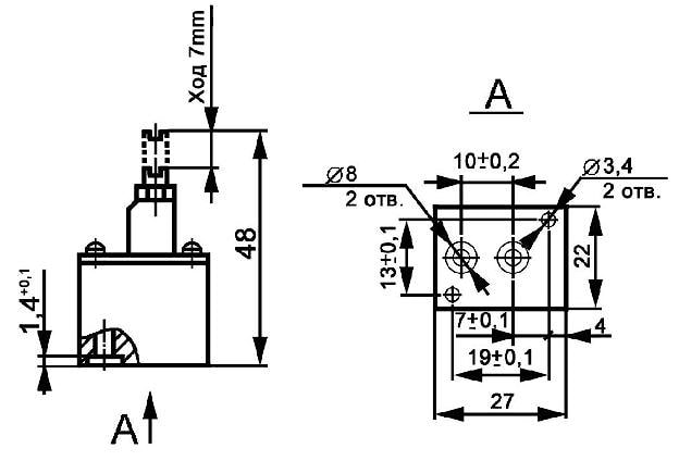
Габаритные и присоединительные размеры пневмодросселя с обратным клапаном типа П-ДК 2,5.

производитель
Пневматика
Если вы хотите купить пневмодроссель с обратным клапаном П-ДК 2,5  , вы можете:
 Позвонить: 
