Пневмодроссель типа П-ДК
Пневмодроссели с обратным клапаном типа П-ДК предназначены для работы на сжатом воздухе давлением от 0,1МПа до 1,0МПа, очищенном не грубее 10 класса загрязненности по ГОСТ17433, и служат для регулирования расхода сжатого воздуха и обеспечения свободного прохода сжатого воздуха в обратном направлении в пневмоприводах различного назначения. Способ монтажа
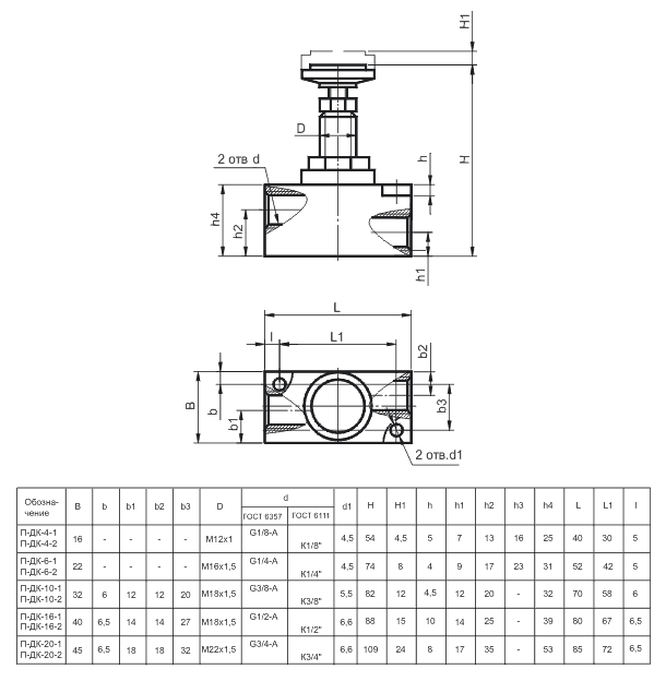
Пневмодроссели типа П-ДК монтируются непосредственно на трубопроводе при помощи двух присоединительных отверстий d, или на панели при помощи гайки, или двух отверстий d1, выполненных на корпусе. При монтаже следует учитывать, что стрелка на корпусе пневмодросселя указывает направление потока сжатого воздуха, при котором обратный клапан закрыт, и воздух проходит через дроссельное отверстие. Пневмодроссели могут быть установлены в любом пространственном положении.
Пневмодроссели имеют климатическое исполнение УХЛ и О, категория размещения 4 по ГОСТ 15150.
Структура условного обозначения: П-ДК-Х-Х ХХХ4
| П-ДК- | пневмодроссель с обратным клапаном | ||
| Х- | условный проход, мм: 4; 6; 10; 16; 20 | ||
| Х- | присоединительная резьба: 1 — трубная; 2 — коническая | ||
| Х4 | климатическое исполнение – УХЛ ; О и категория размещения – 4 | ||
Пример условного обозначения: П-ДК-10-1 УХЛ4; П-ДК-16-2 УХЛ4.
Технические характеристики пневмодросселя с обратным клапаном типа П-ДК-..
| Параметры | Типоразмер пневмодросселя | ||||
| П-ДК-4-1(2) | П-ДК-6-1(2) | П-ДК-10-1(2) | П-ДК-16-1(2) | П-ДК-20-1(2) | |
| Условный проход, мм | 4 | 6 | 10 | 16 | 20 |
| Присоединение пневмолиний, дюйм | G 1/8 (К 1/8) | G 1/4 (К 1/4) | G 3/8 (К 3/8) | G 1/2 (К 1/2) | G 3/4 (К 3/4) |
| Номинальное давление, МПА | 1,0 | ||||
| Диапазон рабочих давлений, МПа | 0,1 - 1,0 | ||||
| Пропускная способность Kv*через открытый дроссель при закрытом обратном клапане, м3/ч, не менее | 0,16 | 0,4 | 0,1 | 2,0 | 3,0 |
| Пропускная способность Kv*через открытый обратный клапан при закрытом дросселе, м3/ч, не менее | 0,25 | 0,56 | 1,5 | 2,8 | 4,5 |
| Масса, кг, не более | 0,06 | 0,13 | 0,20 | 0,27 | 0,55 |
| Примечание | *Kv определяется по ГОСТ 14691 | ||||
Пневмосхема пневмодросселя с обратным клапаном типа П-ДК-..
Габаритные и присоединительные размеры пневмодросселя типа П-ДК-..

производитель
Пневмоаппарат
Если вы хотите купить пневмодроссель типа П-ДК , вы можете:
Позвонить:
