Насос-моторы типа МГ.2.28/32
Работающие в режимах нерегулируемого насос или гидромотора насос-моторы типа МГ .2.28/32 могут устанавливаться в гидросистемы подъёмно-транспортной, коммунальной и дорожно-строительной техники.Подразделяются по виду исполнения:
- МГ 2.28/32.Б - насос-мотор (реверсивное направление вращения, вал шлицы 25xf7x1,5x9g);
- МГ 2.28/32.1.Б - насос-мотор (реверсивное направление вращения, вал шпонка 8х7х40);
- МГ 2.28/32.7.Б - насос-мотор (реверсивное направление вращения, вал шлицы Эв25x1,5x16S3аХ Z=16);
- МГ 2.28/32.3.В - насос (правое направление вращения, вал шлицы 25xf7x1,5x9g);
- МГ 2.28/32.4.В - насос (левое направление вращения, вал шлицы 25xf7x1,5x9g);
- МГ 2.28/32.5.В - насос (правое направление вращения, вал шпонка 8х7х40);
- МГ 2.28/32.6.В - насос (левое направление вращения, вал шпонка 8х7х40);
- МГ 2.28/32.8.В - насос (правое направление вращения, вал шлицы Эв25x1,5x16S3аХ Z=16);
- МГ 2.28/32.9.В - насос (левое направление вращения, вал шлицы Эв25x1,5x16S3аХ Z=16).
Ряд насос-моторов типа МГ.2.28/32 является аналогами насос-моторов типа 310.2.28.. производства ОАО "Пневмостроймашина" г.Екатеринбург, РФ:
МГ 2.28/32.Б—310.2.28.07.03
МГ 2.28/32.3.В—310.2.28.08.05
МГ 2.28/32.4.В—310.2.28.09.05
МГ 2.28/32.5.В—310.2.28.05.05
МГ 2.28/32.6.В—310.2.28.06.05
МГ 2.28/32.1Б—310.2.28.01.03
Условное обозначение:
| МГ.2 | Тип насос-мотора | МГ2 - насос-мотор |
| 28 | Рабочий объем | 28 см3 |
| 32 | Номинальное давление | 32 МПа |
| 1, 3, 4, 5, 6, 8, 9 | Виды исполнения | 1 - насос-мотор (реверсивное направление вращения вала, вал шпонка 8х7х40); 3 - насос (правое направление вращения вала, вал шлицы 25хf7x1,5х9g); 4 - насос (левое направление вращения вала, вал шлицы 25хf7x1,5х9g); 5 - насос (правое направление вращения вала, вал шпонка 8х7х40); 6 - насос (левое направление вращения вала, вал шпонка 8х7х40); |
| Б, В | Количество входных и выходных отверстий | Б - 2отв. , В - 4отв. |
| 1 | Категория размещения | 1 |
| Tехнические характеристики насос-моторов типа МГ .2.28/32: | ||
| Параметры | МГ 2.28/32 | |
| насос | мотор | |
| Рабочий объем, см3 | 28 | 28 |
| Номинальная частота вращения, с-1 (об/мин): | 32 (1920) | 32 (1920) |
| Номинальная подача, л/мин | 51 | |
| Номинальный расход, л/мин | 56,6 | |
| Номинальное давление на выходе, МПа: | 32 | |
| Давление на входе, МПа: | ||
| - номинальное | 32 | |
| - максимальное | 1,6 | 40 |
| - минимальное для закрытых схем | 0,4 | |
| - минимальное (абсолютное) для открытых схем | 0,08 | |
| Номинальная мощность, кВт: | ||
| - потребляемая, не более | 31 | |
| - эффективная, не менее | 27 | |
| Крутящий момент, номин., Н·м | 133 | |
| Тонкость фильтрации, мкм | ||
| Масса, кг | 12 | |
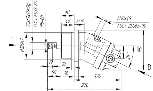
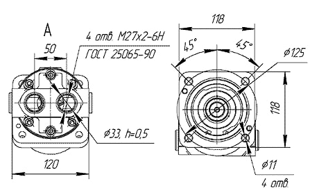
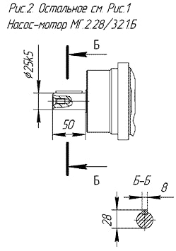
Габаритные и присоединительные размеры насос-мотор типа МГ 2.28/32:





производитель
Шахтинский завод Гидропривод
Если вы хотите купить насос-моторы типа МГ.2.28/32 , вы можете:
Позвонить:
