Насос-мотор типа МГ 250/16
В гидросистеме трубоукладчиков ТГ-321А и ТГ-503Я установлен нерегулируемый насос-мотор типа МГ 250/16. Данный вид насос-моторов также применяется в гидросистемах иных машин и агрегатов. где может работать в режимах нерегулируемого насоса или гидромотора.Насос-мотор МГ 250/16 имеет реверсивное направление вращения вала.
Насос-мотор МГ 250/16 является аналогом насос-мотора марки 310.3.250 производства ОАО "Пневмостроймашина" г.Екатеринбург, РФ и насос-мотора марки A2FO250 производства "Rexroth" Германия.
Условное обозначение:
| МГ | Тип насос-мотора | МГ - насос-мотор |
| 250 | Рабочий объем | 250 см3 |
| 16 | Номинальное давление | 16 МПа |
| У, Т | Климатическое исполнение | У - умеренный; Т - тропический |
| 1 | Категория размещения | 1 |
Технические параметры насос-мотора МГ250/16:
| Параметры | насос | мотор |
| Рабочий объем, см3 | 250 | |
| Частота вращения, с-1 (об/мин): | ||
| номинальная | 16.7 (1000) | 25 (1500) |
| Подача, л/мин | 237.5 | |
| Расход, л/мин | 394.7 | |
| Давление на выходе, МПа: | ||
| номинальное | 16 | |
| Давление на входе, МПа: | ||
| номинальное | 16 | |
| максимальное | 1,6 | 25 |
| минимальное для закрытых схем | 0,4 | |
| минимальное (абсолютное) для открытых схем | 0,08 | |
| Номинальная мощность, кВт: | ||
| потребляемая, не более | 71.8 | |
| эффективная, не менее | 90 | |
| Крутящий момент, номин., Н·м | 585 | |
| Масса, кг | 100 | |
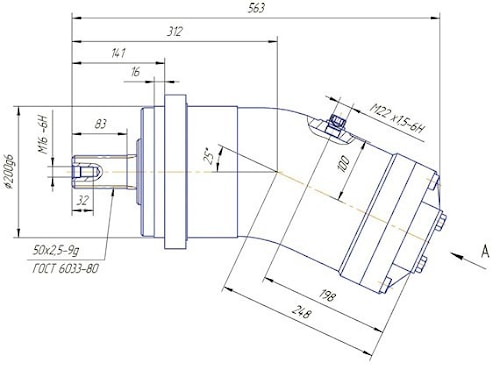
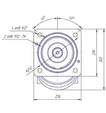
Габаритные и присоединительные размеры насос-мотора МГ250/16:



Если вы хотите купить насос-мотор типа МГ 250/16 , вы можете:
Позвонить:
