Насос-мотор типа УНМА4 125/32
Насос-мотор УНМА4 125/32 применяется для нефтегазодобывающего, бурового, горноперерабатывающего оборудования, в металлургическом производстве, в тяжёлом машиностроении, станкостроении и др..Условное обозначение
| УНМА | Тип насоса | УНМА - насос-мотор |
| 4 | Дополнительное обозначение | 4 - индекс габарита изделия |
| 125 | Рабочий объем | 125 см3 |
| 32 | Номинальное давление | 32 МПа |
| УХЛ, О | Климатическое исполнение | УХЛ - умеренно-холодный, О - тропический |
| 4 | Категория размещения | 4 |
Технические параметры насос-моторов типа УНМА4 125/32
| Параметры | насос | мотор |
| Рабочий объем, см3 | 125 | 125 |
| Частота вращения, с-1 (об/мин): | ||
| номинальная | 25 (1500) | 25 (1500) |
| Подача, л/мин | 178,1 | |
| Расход, л/мин | 197 | |
| Давление на выходе, МПа: | ||
| номинальное | 32 | |
| Давление на входе, МПа: | ||
| номинальное | 32 | |
| Номинальная мощность, кВт: | ||
| потребляемая, не более | 101,3 | |
| эффективная, не менее | 94 | |
| Крутящий момент, ном., Н·м | 61 | |
| Масса, кг | 93 | 93 |
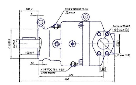
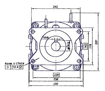
Габаритные и присоединительные размеры насос-моторов типа УНМА 4 125/32


производитель
Шахтинский завод Гидропривод
Если вы хотите купить насос-мотор типа УНМА4 125/32 , вы можете:
Позвонить:
