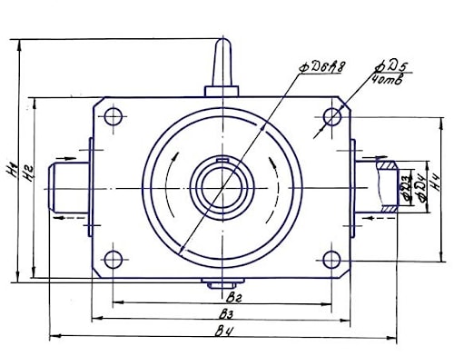
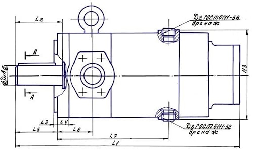
Насос-мотор типа РМНА.../35
   В горнодобывающем, металлургическом, станкостроительном производстве в гидросистемах различных машин и агрегатов применяются работающие в режимах нерегулируемого насоса илигидромотора насос-моторы типа РМНА.../35.
Условное обозначение
| РМНА | Тип насоса | РМНА - насос-мотор | 
| 32, 63, 125, 250 | Рабочий объем | 32, 63, 125, 250 см3 | 
| 35 | Номинальное давление | 35 МПа | 
| УХЛ, О | Климатическое исполнение |  УХЛ - умеренно-холодный, О - тропический  | 
| 4 | Категория размещения |  4 | 
Технические характеристики насос-моторов типа РМНА../35
| Параметры | РМНА 32/35 | |
| насос |  мотор | |
| Рабочий объем, см3 | 32 | 32 | 
| Частота вращения, с-1 (об/мин): | ||
| номинальная |  25 (1500)  |  25 (1500)  | 
| Подача, л/мин | 45,6 | |
| Расход, л/мин | 50,5 | |
| Давление на выходе, МПа: | ||
| номинальное | 32 | |
| Давление на входе, МПа: | ||
| номинальное | 32 | |
| Номинальная мощность, кВт: | ||
| потребляемая, не более | 26,8 | |
| эффективная, не менее | 23,3 | |
| Крутящий момент, ном., Н·м | 15,2 | |
| Масса, кг | 20 |  20 | 
| Параметры | РМНА 63/35 | |
| насос |  мотор | |
| Рабочий объем, см3 | 63 | 63 | 
| Частота вращения, с-1 (об/мин): | ||
| номинальная |  25 (1500)  |  25 (1500)  | 
| Подача, л/мин | 89 | |
| Расход, л/мин | 99,5 | |
| Давление на выходе, МПа: | ||
| номинальное | 32 | |
| Давление на входе, МПа: | ||
| номинальное | 32 | |
| Номинальная мощность, кВт: | ||
| потребляемая, не более | 52,2 | |
| эффективная, не менее | 46,5 | |
| Крутящий момент, ном., Н·м | 30,2 | |
| Масса, кг | 34 |  34 | 
| Параметры | РМНА 125/35 | |
| насос |  мотор | |
| Рабочий объем, см3 | 125 | 125 | 
| Частота вращения, с-1 (об/мин): | ||
| номинальная |  25 (1500)  |  25 (1500)  | 
| Подача, л/мин | 178 | |
| Расход, л/мин | 197,4 | |
| Давление на выходе, МПа: | ||
| номинальное | 32 | |
| Давление на входе, МПа: | ||
| номинальное | 32 | |
| Номинальная мощность, кВт: | ||
| потребляемая, не более | 102,3 | |
| эффективная, не менее | 93,3 | |
| Крутящий момент, ном., Н·м | 60,5 | |
| Масса, кг | 70 |  70 | 
| Параметры | РМНА 250/35 | |
| насос |  мотор | |
| Рабочий объем, см3 | 250 | 250 | 
| Частота вращения, с-1 (об/мин): | ||
| номинальная |  25 (1500)  |  25 (1500)  | 
| Подача, л/мин | 356,2 | |
| Расход, л/мин | 394,7 | |
| Давление на выходе, МПа: | ||
| номинальное | 32 | |
| Давление на входе, МПа: | ||
| номинальное | 32 | |
| Номинальная мощность, кВт: | ||
| потребляемая, не более | 204,7 | |
| эффективная, не менее | 186,5 | |
| Крутящий момент, ном., Н·м | 121,1 | |
| Масса, кг | 125 |  125 | 



производитель
Шахтинский завод Гидропривод
Если вы хотите купить насос-мотор типа РМНА.../35  , вы можете:
 Позвонить: 
