Насос-мотор типа МНАФ 63/22
Насос-моторы МНАФ 63/22 широко применяются в тяжёлом машиностроении и станкостроении, так, например, такие насос-моторы установлены в гидросистемах термопластавтоматов марки ДЕ3132, ДЕ3132-250 У1, протяжного станка марки 7540, трубогибочного станка ГТ 14-22, в гидроприводе кузнечного молота и других агрегатах.Условное обозначение
| МНАФ | Тип насоса | МНАФ - насос-мотор |
| 63 | Рабочий объем | 63 см3 |
| 22 | Номинальное давление | 22 МПа |
| УХЛ, О | Климатическое исполнение | УХЛ - умеренно-холодный, О - тропический |
| 4 | Категория размещения | 4 |
Технические параметры насос-моторов типа МНАФ 63/22
| Параметры | насос | мотор |
| Рабочий объем, см3 | 63 | 63 |
| Частота вращения, с-1 (об/мин): | ||
| номинальная | 25 (1500) | 25 (1500) |
| Подача, л/мин | 90 | |
| Расход, л/мин | 99 | |
| Давление на выходе, МПа номинальное | 20 | |
| Давление на входе, МПа номинальное | 20 | |
| Номинальная мощность, кВт: | ||
| потребляемая, не более | 32,7 | |
| эффективная, не менее | 29,2 | |
| Крутящий момент, ном., Н·м | 189 | |
| Масса, кг | 44 | 44 |
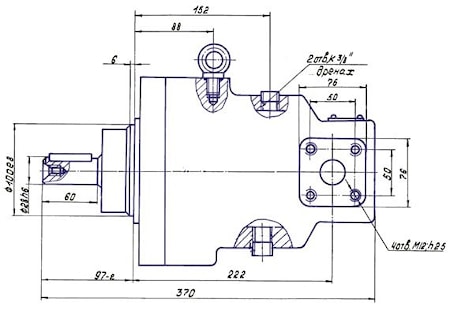
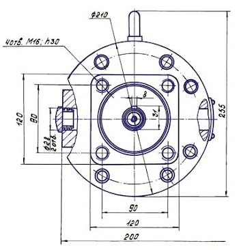
Габаритные и присоединительные размеры насос-моторов типа МНАФ 63/22:


производитель
Шахтинский завод Гидропривод
Если вы хотите купить насос-мотор типа МНАФ 63/22 , вы можете:
Позвонить:
