Насос-мотор типа МН..56/32
Насос-моторы типа МН..56/32 широко применяются в гидросистемах дорожных, сельскохозяйственных, строительных машин и агрегатов, работая в режимах нерегулируемого насоса или гидромотора.Насос-моторы МН..56/32 подразделяются по виду исполнения:
- МН 56/32 — насос-мотор (реверсивное направление вращения)
- МН 56/32.3 — насос (правое направление вращения)
- МН 56/32.4 — насос (левое направление вращения)
- МН 0.56/32 — насос-мотор ( направление вращения любое, вал шлицы ф30 мм)
- МН 0.56/32.1 — насос-мотор (направление вращения любое, вал шпонка 8x7x50 мм)
- МН 0.56/32.3 — насос (правое направление вращение, вал шлицы ф30 мм)
- МН 0.56/32.4 — насос (левое направление вращение, вал шлицы ф30 мм)
- МН 0.56/32.5 — насос (правое направление вращение, вал шпонка 8x7x50 мм)
- МН 0.56/32.6 — насос (левое направление вращение, вал шпонка 8x7x50 мм)
- МН 2.56/32 — насос-мотор (любое направление вращение, вал шлицы ф35 мм)
- МН 2.56/32.3 — насос (правое направление вращение, вал шлицы ф35 мм)
- МН 2.56/32.4 — насос (левое направление вращение, вал шлицы ф35 мм)
Насос-моторы типа МН..56/32 являются аналогами ряда насос-моторов производства ОАО "Пневмостроймашина" г.Екатеринбург, РФ (тип 310..56..) и фирмы "Rexroth", Германия (тип A2F..), а именно:
- МН 56/32—310.3.56.00 и 310.4.56.00—А2FM 56
- МН 56/32.1—310.3.56.01—A2FO 56
- МН 56/32.3—310.3.56.03 и 310.4.56.03—A2FO 56
- МН 56/32.4—310.3.56.04 и 310.456.04—A2FO 56
- МН 0.56/32—310.56.00—A2FO 56
- МН 0.56/32.3—310.56.03—A2FO 56
- МН 0.56/32.4—310.56.04—A2FO 56
- МН 0.56/32.1—310.56.01—A2FO 56
- МН 0.56/32.5—310.56.05—A2FO 56
- МН 0.56/32.6—310.56.06—A2FO 56
- МН 2.56/32—310.2.56.00—A2FO 56
- МН 2.56/32.3—310.2.56.03—A2FO 56
- МН 2.56/32.4—310.2.56.04—A2FO 56
- МН 2.56/32.1—310.2.56.01—A2F0 56
- МН 2.56/32.6—310.2.56.06—A2FO 56
Условное обозначение:
| МН | Тип насос-мотора | МН |
| 56 | Рабочий объем | 56 см3 |
| 32 | Номинальное давление | 32 МПа |
| 0, 1, 3, 4, 5, 6 | Направление вращения, тип вала | 0, 1, 3, 4, 5, 6 |
| У, Т | Климатическое исполнение | У - умеренный, Т - тропический |
| 1 | Категория размещения | 1 |
Технические параметры насос-моторов типа Мн..56/32:
| Параметры: | насос | мотор |
| Рабочий объем, см3 | 56 | |
| Частота вращения, с-1(об/мин): | ||
| номинальная | 25 (1500) | 33,3 (2000) |
| максимальная | 33,3 (2000) | 58,3 (3500) |
| минимальная | 3,3 (200) | 0,16 (10) |
| Подача, л/мин | 85 | |
| Расход, л/мин | 117,8+3,2 | |
| Давление на выходе, МПа: | ||
| номинальное | 32 | |
| максимальное | 40 | 20 |
| Давление на входе, МПа: | ||
| номинальное | 32 | |
| максимальное | 1,6 | 40 |
| минимальное для закрытых схем | 0,4 | |
| минимальное (абсолютное) для открытых схем | 0,08 | |
| Номинальная мощность, кВт: | ||
| потребляемая, не более | 48,8 | |
| эффективная, не менее | 53,7 | |
| Крутящий момент, ном., Н·м | 262 | |
| Тонкость фильтрации, мкм | * — 25 (до 25 МПа) и 10 (32 МПа при длительной работе) | |
| Масса, кг | 19 | 19 |
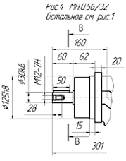
Габаритные и присоединительные размеры насос-моторов типа МН..56/32:




производитель
Шахтинский завод Гидропривод
Если вы хотите купить насос-мотор типа МН..56/32 , вы можете:
Позвонить:



