Гидромоторы серии BMP
Гидромоторы серии BMP широко применяются в сельскохозяйственной, дорожно-строительной, коммунальной, лесозаготовительной и иной технике, а также в станкостроении. Благодаря наличию героторной пары гидромоторы BMP являются экономичными, компактными, с высокоэффективной конструкцией гидромашинами. Гидромоторы BMP представлены большой линейкой моторов с различными рабочими объёмами, вариантами исполнений валов, фланцев и резьб портов. Несмотря на небольшой вес и компактный корпус, гидравлические моторы типа BMP являются мощными гидродвигателями, преобразующими энергию рабочей жидкости во вращательное движение выходного вала.
Гидромоторы BMP прекрасно заменяют гидромоторы многих известных брендов, таких как: OMP—Danfoss, MP (MLHP)—M+S, CPM—Hydromot, OP—Meta, BMP-..P41AIIY10/T10--ZiHYD, Д06—Дозатор Плюс и др.
Наиболее часто запрашиваемые модели имеют вал с диаметром 25мм и овальный фланец на 2 болта, резьбы портов А, В- G1/2 (порт Т-G1/4), рабочие объёмы BMP50, BMP80, BMP100, BMP125, BMP160, BMP200, BMP315, BMP400.
Для дополнительной защиты от коррозии гидромоторы BMP окрашены в чёрный цвет.
Варианты исполнения корпусов гидромоторов серии BMP

Технические характеристики гидромоторов серии BMP:

Габаритные и присоединительные размеры BMP см. в прикреплённом файле.
Чертёж гидромотора типа BMP-xx-2A-D-H, Draw motor BMP.pdf
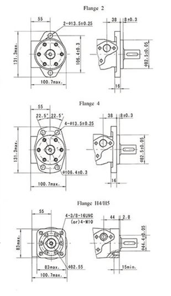
Варианты исполнения фланцев гидромоторов BMP:

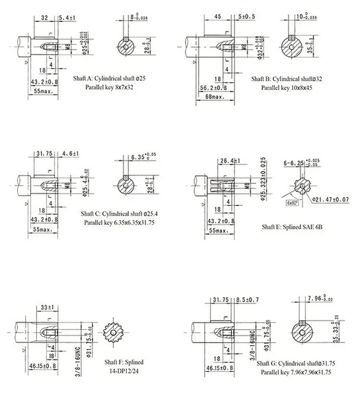
Варианты исполнения валов гидромоторов BMP:

Варианты исполнения резьб портов гидромоторов BMP:

В зависимости от того как подключаются порты А и В, гидромоторы BMP могут работать как реверсивные гидродвигатели.

Нагрузки на вал BMP:

Вы можете приобрести гидромоторы типа BMP как из наличия, так и заказать необходимый вам вариант исполнения.
производитель
Китай
