Гидромоторы серии BMSY (BMS)
Гидромоторы серии BMSY являются орбитальными гидромоторами, аналогичными по конструкции гидромоторам серии OMS Danfoss. Ранее гидромоторы этой серии имели название BMS, но конструкция была усовершенствована и в настоящее время гидромоторы серии BMSY являются аналогами многих известных брендов. Гидромоторы BMSY взаимозаменяемы с гидромоторами серий OMS (Danfoss), MS (M+S Hydraulics), OS (Meta), CPMS (Hydromot), MAS (Maxima), BM3Y (ZiHYD), HMS (Китай), МГП (Омскгидропривод), Д07. (Дозатор Плюс).
Гидромоторы серии BMSY нашли широкое применение во многих отраслях промышленности благодаря надёжной конструкции. Они обладают большой мощностью при нулевых утечках и малых механических потерях. Данные гидравлические моторы эффективны при высоких давлениях и имеют хорошие пусковые характеристики. Широкая линейка рабочих объёмов и разнообразие вариантов исполнения валов и фланцев обеспечили широкое применение гидромоторов BMSY в мобильной технике (например, гидравлические моторы типа:
BMSY-80, BMSY-100, BMSY-125, BMSY-160, BMSY-200, BMSY-250, BMSY-315 и т.д..)
Орбитальные гидромоторы BMSY в зависимости от подключения портов могут работать как реверсивные гидромоторы.
Конструкция гидромотора серии BMSY
Гидравлические моторы (иначе орбитальные двигатели) серии BMSY имеют двухкомпонентную конструкцию ротора. Семь прецизионных роликов (рис. 3c), добавленных к лопастям внешнего кольца (рис. 3a) зубчатой передачи, обеспечивают точки скользящего контакта, которые действуют как роликовые подшипники и снижают трение.
Это повышает механический КПД и снижает износ в системах с низкой вязкостью жидкости, требующих меньшего давления при запуске и обеспечивающих повышенный ресурс привода и более плавную работу на всех скоростях.
Гидромоторы серии BMSY могут поставляться с различными видами исполнений вала, фланца и резьб портов.
Технические характеристики гидромоторов серии BMSY:

Радиальные нагрузки:

Габаритные и присоединительные размеры:
См.дополнительные файлы:
Чертёж гидромотора BMSY-.. с метрической резьбой портов (аналог МГП)
Чертёж гидромотора BMSY-.. с трубно-цилиндрической резьбой портов (аналог OMS)
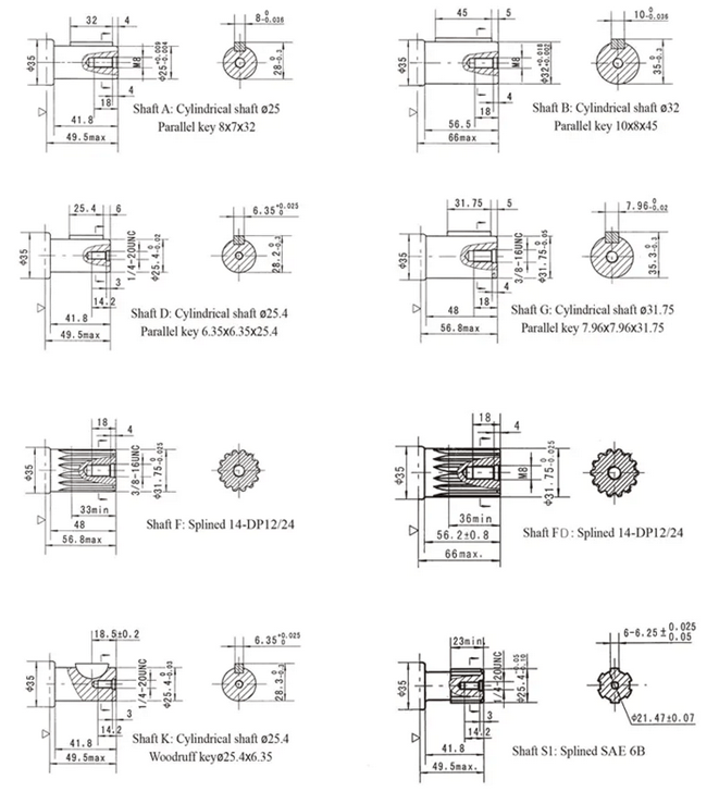
Варианты исполнения валов для гидромоторов серии BMSY:

Варианты исполнения фланцев для гидромоторов серии BMSY:

Варианты исполнения резьб портов для гидромоторов серии BMSY:

В случае, если нужна более детальная информация или требуется уточнить наличие и цену гидромотора BMSY, просим присылать запросы через форму на сайте либо на e-mail, указаный в разделе "Контакты".
производитель
Китай
