Насосы пластинчатые типа YB1-.. аналоги НПл../6,3
 
   Насосы пластинчатые нерегулируемые типа YB1-..устанавливаются в гидроприводы различных станков и механизмов с целью обеспечения нерегулируемого по величине потока рабочей жидкости и давления 6,3 МПа.
В качестве рабочей жидкости рекомендуется использовать чистое минеральное масло с кинематической вязкостью 20..400 мм2/с (сСт) и температурой от -100С до +600С. Установленное в гидроприводе фильтрующее оборудование должно обеспечивать чистоту рабочей жидкости не грубее 12-класса по ГОСТ 17216-71.
Насосы типа YB1-.. имеют правое вращение вала.
Насосы пластинчатые YB1-.. с успехом заменяют пластинчатые насосы типа НПл- 1-го габарита, они адаптированы к присоединительным размерам насосов НПл, что значительно упрощает монтаж и замену одного типа насосов на другой. Насосы YB1-.. обеспечивают те же технические параметры, что и НПл-.., при этом выгодно отличаясь по цене. Таким образом, применение гидравлических насосов YB1-.. даёт возможность снизить затраты при ремонте и замене оборудования, а также уменьшить себестоимость вновь проектируемых машин и механизмов.
Технические характеристики насосов пластинчатых типа YB1-..: 
| Модель насоса | Ном.подача , л/мин | Давление, макс., МПа | Частота вращения, об/мин | Аналог насоса НПл (подача, л/мин) | Вес, кг | 
| YB1-6 | 6,0 | 6,3 | 960 | НПл 8/6,3 (5,8 ) | 9,7 | 
| YB1-9 | 9,0 | 6,3 | 960 | НПл 12,5/6,3 (9,7) | 9,7 | 
| YB1-12 | 12,0 | 6,3 | 960 | НПл 16/6,3 (12,7) | 9,7 | 
| YB1-21 | 21,0 | 6,3 | 960 | НПл 25/6,3 (21,1) | 9,7 | 
| YB1-28 | 28,0 | 6,3 | 960 | НПл 32/6,3 (27,9) | 9,7 | 
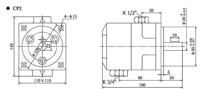
Габаритные и присоединительные размеры насосов YB1- :
 
Приведенная ниже таблица показывает сравнение основных габаритных размеров насосов YB1- и НПл../6,3 1-габарита:
| Модель насоса | L | L1 | L2 | B | B1 | S | H | D1 | D2 | d | d1 | c | t | b | Z1 | Z2 | 
| тип YB1-… | 186,0 | 98,0 | 38,0 | 45,0 | 20,0 | 110,0 | 145,0 | 90,0 | 128,0 | 20,0 | 11,0 | 5,0 | 22,0 | 5,0 | K 3/4 | K 1/2 | 
| тип НПл- (габарит1) | 200,0 | 121,0 | 35,0 | 40,0 | 20,0 | 116,0 | 90,0 | 128,0 | 20,0 | 11,0 | 5,0 | 22,5 | 6,0 | K 3/4 | K 1/2 | 
производитель
Китай
 fariteks@mail.ru
 fariteks@mail.ru
 +375 (17) 276-41-46
 +375 (17) 276-41-46 
 
 
 
 
 
 
 
