Насосы нерегулируемые серии V (Vickers)
Насосы пластинчатые нерегулируемые серии V представляют собой насосы, отличительной особенностью которых является достаточно высокое давление (до 20,7 МПа) и низкий уровень шума при работе 62дБ(А). Насосы типа V являются однопоточными (одинарными).Насосы серии V (аналоги Eaton Vickers) обеспечивают при сравнительно небольших размерах и весе высокую производительность и КПД. Они просты в устройстве и монтаже. Наличие заменяемых картриджей даёт возможность осуществлять ремонт и при необходимости изменение производительности (подачи) без снятия насоса с оборудования. Ротор насосов данного типа содержит 12 пластин, что позволяет достичь малой пульсации и низкого уровня шума.
Наличие специального сальника обеспечивает долгий срок службы насоса. Кроме того, конструкция насоса позволяет выбрать 4 варианта расположения друг относительно друга входного и выходного отверстий, что даёт дополнительные удобства и преимущества при монтаже.
Одинарные насосы серии V (Vickers) широко применяются в гидросистемах различного оборудования, станках, гильотинах и т.д..
Структура условного обозначения:
Где следующие обозначения:
1—F3-по специальному заказу на насосе может быть установлена манжета из материала viton,устойчивого к действию химических сред (например, фосфорно-кислотного эфира),
—Без обозначения-стандартная манжета;
2—обозначение серии (4 варианта);
3—варианты пилота: без обозначения-стандартный пилот;
4—варианты подачи (см3/об) в зависимости от выбранного типа серии;
5—буква А—присоединение портов (фланец на 4 болта);
6—тип резьбы для фланца: без обозначения дюймовая, М-метрическая;
7—способ монтажа: без обозначения-фланцевый, F-на лапах;
8—варианты исполнения вала;
9—варианты расположения друг относительно друга отверстий всасывания и нагнетания (вход/выход);
10—код конструкции (дизайна);
11—направление вращения вала: R-правое, L-левое;
12—специальные отметки (дополнительные).
Пример условного обозначения: насос 45V60AF86C22R
Насосы одинарные серии V могут быть окрашены по заказу в синий или чёрный цвет, либо не иметь покраски.
Технические характеристики одинарных насосов V (Vickers):
Примечание: Значения параметров указаны в зависимости от типа рабочей жидкости (первая колонка значений давления и скорости вращения для гидравлического масла).
Geometric displacement—подача мл/об.
Max.pressure, MPa—макс.давление , МПа
Max.speed, r/min—макс.скорость (частота) вращения, об/мин
Min.speed, r/min—мин.скорость (частота) вращения, об/мин
Диаграммы рабочих характеристик насосов 20V, 25V, 35V, 45V:
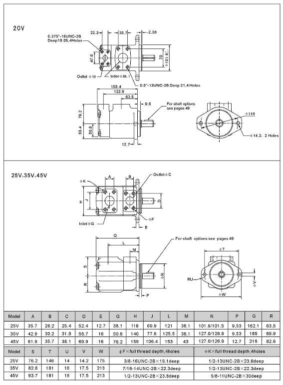
Габаритные и присоединительные размеры одинарных насосов типа 20V, 25V, 35V, 45V:
По заказу в качестве ремкомплекта или с целью изменения подачи насоса могут поставляться сменные картриджи. Картридж (его подача см3/об) выбирается в зависимости от серии насоса (20V, 25V, 35V или 45V).
Внешний вид сменного картриджа:
производитель
Китай
Если вы хотите купить насосы нерегулируемые серии V (Vickers) , вы можете:
Позвонить:
