Насосы типа УНА
Насосы типа УНА относятся к унифицированным регулируемым насосам, широко применяющихся в гидроприводах карусельных станков, прессов, формовочных линий, протяжных станков и пр.агрегатов. Насосы типа УНА обеспечивают переменную по величине и направлению подачу рабочей жидкости.Насосы имеют два габарита 4 и 6 и различные виды механизма регулирования подачи:
- УНА4-С-125/32 — следящий гидравлический (С-подача на одной полости; СР1-механизм регулирования подачи (реверс));
- УНА4-Э-125/32 — электрогидравлический (Э-настройка подач на одной полости; ЭР1-с реверсом подачи);
- УНА6-С-450/200 — следящий гидравлический (С-подача на одной полости; СР-с регулированием подачи);
- УНА6-Э-450/200 — электрогидравлический (Э-настройка подач на одной полости; ЭР-с регулированием подачи).
Условное обозначение насосов типа УНА 4-...125/32
| УНА | Тип насоса | УНА |
| 4 | Дополнительное обозначение | Индекс габарита изделия |
| С | Вид управления | Следящее |
| Р1 | Дополнительное обозначение | Без индекса - без реверса подачи; Р1 - с реверсом подачи |
| 125 | Рабочий объем | 125 см3 |
| 32 | Номинальное давление | 32 МПа |
| 1, 2 | Дополнительное обозначение | Без индекса - без вспомогательного насоса; 1 - однопоточный вспомогательный насос; 2 - двухпоточный вспомогательный насос |
| УХЛ, 0 | Климатическое исполнение | УХЛ - умеренно-холодный, О - тропический |
| 4 | Категория размещения | 4 |
Технические характеристики насосов типа УНА 4-...125/32
| Параметры | УНА4-С-125/32 |
| Номинальный рабочий объем, см3 | 125 |
| Номинальная частота вращения, с-1 (об/мин): | 25 (1500) |
| Номинальная подача насоса, л/мин | 174,4 |
| Номинальное давление, МПа: | 32 |
| Номинальная мощность, кВт: | 103,8 |
| Масса, кг | 124 |
Условное обозначение насосов типа УНА6-…450/200
| УНА | Тип насоса | УНА |
| 6 | Дополнительное обозначение | Индекс габарита изделия |
| С | Вид управления | Следящее |
| Р1 | Дополнительное обозначение | Без индекса - без реверса подачи; Р1 - с реверсом подачи |
| 450 | Рабочий объем | 450 см3 |
| 200 | Номинальное давление | 20 МПа |
| 1, 2 | Дополнительное обозначение | Без индекса - без вспомогательного насоса; 1 - однопоточный вспомогательный насос; 2 - двухпоточный вспомогательный насос |
| УХЛ, О | Климатическое исполнение | УХЛ - умеренно-холодный, О - тропический |
| 4 | Категория размещения | 4 |
Технические характеристики насосов типа УНА6-…450/200
| Параметры | УНА6-С-450/200 |
| Номинальный рабочий объем, см3 | 450 |
| Номинальная частота вращения, с-1 (об/мин): | 16,6 (1000) |
| Номинальная подача насоса, л/мин | 414 |
| Номинальное давление, МПа: | 20 |
| Номинальная мощность, кВт: | 157,3 |
| Масса, кг | 341 |
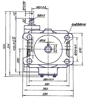
Габаритные и присоединительные размеры насосов типа УНА4-..125/32:



Габаритные и присоединительные размеры насосов типа УНА6-..450/200:




производитель
Шахтинский завод Гидропривод
Если вы хотите купить насосы типа УНА , вы можете:
Позвонить:
