Насосы НАПР 140-20, НАПЭЛ 140-20, НАПЭСЛ 140-20
Насосы НАПЭЛ 140-20, НАПЭСЛ 140-20, НАПР 140-20 относятся к регулируемым аксиально-поршневым насосам с торцовым распределением рабочей жидкости.Регулирование подачи осуществляется при помощи механизма регулирования:
—ручной механизм (тип НАПР 140-20, НАПРЛ 140-20), даёт возможность предварительно осуществить установку подачи и направления потока рабочей жидкости;
—электрогидравлический механизм (тип НАПЭ 140-20, НАПЭЛ 140-20, НАПЭСЛ 140-20, НАПЭС 140-20, НАПЭСПЛ 140-20), даёт возможность настройки двух подач любой величины, в пределах номинальной, на каждой полости.
Номинальная подача и номинальное давление для всех типов имеют одинаковое значение—200 л/мин. и 20 МПа соответственно.
Указанные насосы типа НАП 140-20 предназначены для нагнетания рабочей жидкости в гидросистемы различных станков, прессов и иного оборудования, где необходимо регулирование подачи и реверс потока рабочей жидкости. Тонкость фильтрации рабочей жидкости должна быть 10мкм, кинетическая вязкость 20-250 сСт и температура от +100с до +600С.
Насосы типа НАП 140-20 имеют правое вращение вала.
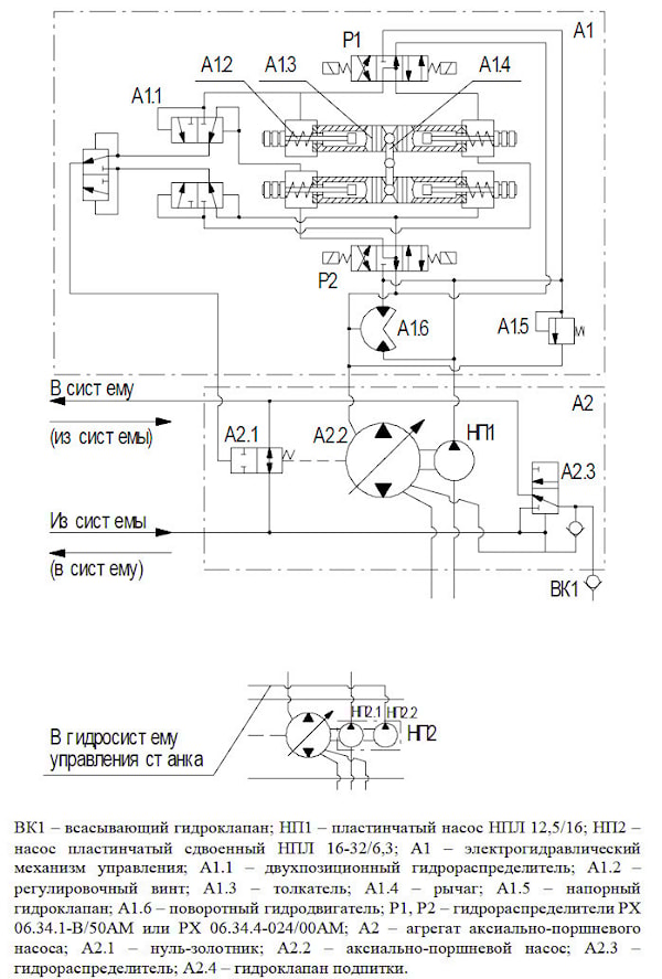
Насосы с электрогидравлическим управлением оснащены гидрораспределителями с условным проходом 6 мм (тип РХ06, 1РЕ6 и пр..), управляющими изменением потока жидкости от пластинчатых насосов. Насосы типа НАПЭ 140-20, НАПЭЛ укомплектованы однопоточным пластинчатым насосом типа НПл 12,5/16, насосы типа НАПЭЛ 140-20, НАПЭСЛ 140-20 укомплектованы двухпоточным насосом типа НПл 16-32/6,3.
Способ монтажа насосов типа НАП 140-20:
—фланцевый (НАПР, НАПЭ, НАПЭС);
—на лапах (НАПРЛ, НАПЭЛ, НАПЭСЛ, НАПЭСПЛ).
Отличительной особенностью модели НАПЭСПЛ 140-20 является правостороннее расположение механизма управления (если смотреть со стороны вала).
Структура условного обозначения:
НАП Х Х Х Х 140-20 УХЛ4 (О4), где:
НАП—обозначение типа насоса;
Х—способ управления насосом: Р-ручное, Э-электрогидравлическое;
Х—тип насоса управления: без индекса-однопоточный, С-двухпоточный;
Х—способ расположения механизма управления (со стороны вала): без индекса-левое, П-правое;
Х—способ монтажа: без индекса-фланцевый монтаж, Л-на лапах;
140—ном.рабочий объём, см3;
20—ном.рабочее давление, МПа;
УХЛ4 или О4— климатическое исполнение и категория размещения (для районов с умеренным и холодным климатом и для тропического климата соответственно).
Основными составными элементами насосов типа НАП 140-20 являются: передний корпус с приводным валом, втулка, ротор с девятью поршнями, подпятники, нажимной диск, шаровая опора, опорный диск, установленный на траверсе, распределительный диск.
При вращении ротора поршни совершают в нём принудительное возвратно-поступательное движение, тем самым, обеспечивая всасывание и нагнетание рабочей жидкости. Изменение углового положения траверсы, установленной в шарикоподшипниках, вызывает изменение длины хода поршней в отверстиях ротора, за счёт чего осуществляется регулирование подачи насоса. При ручном управлении регулирование и изменение подачи осуществляется поворотом маховика, связанного с траверсой червячной передачей.
При электрогидравлическом управлении поворот ротора и связанной с ним траверсы, происходит под действием крутящего момента. Величина и направление поворота траверсы определяют величину подачи и направление потока рабочей жидкости.
Технические характеристики насосов типа НАП 140-20:
| Параметр | Типоразмер | ||
| НАПР, НАПРЛ | НАПЭ, НАПЭЛ | НАПЭСЛ, НАПЭС, НАПЭСПЛ | |
| Давление на выходе, МПа | |||
| — номинальное | 20 | 20 | 20 |
| – максимальное | 25 | 25 | 25 |
| Давление на входе, МПа | |||
| — номинальное | 5,0 | 5,0 | 5,0 |
| – максимальное | 0,085 | 0,085 | 0,085 |
| Частота вращения. об./мин. | |||
| — номинальная | 1500 | 1500 | 1500 |
| – максимальная | 1500 | 1500 | 1500 |
| —минимальная | 960 | 960 | 960 |
| Рабочий объём, см3 | |||
| — номинальный | 140 | 140 | 140 |
| – минимальный | 14 | 14 | 14 |
| Номинальная подача, л/мин | 200 | ||
| Подача насоса при минимальной частоте вращения, л/мин | 125 | ||
| Минимальная подача насоса при ном.давлении на выходе. л/мин, не более | 20 | ||
| Номинальная мощность на входе, кВт | 71,82 | 75,12 | 76 |
| Номинальная мощность на выходе, кВт | 63,36 | ||
| Полный 90% ресурс, ч, не менее | 7700 | ||
| КПД, не менее | 0,91 | 0,87 | 0,86 |
| Коэффициент подачи, не менее | 0,96 | 0,95 | 0,95 |
| Подача пластинчатого насоса управления, л/мин | 14,6 | 14,6 | 18/35 |
| Давление в механизме управления, МПа | 5,0+/- 0,5 | ||
| Время реверса потока раб.жидкости, с | 0,3 | 0,3 | 0,3 |
| Высота самовсасывания, м, не более | 0,5 | 0,5 | 0,5 |
| Максимальное давление дренажа, МПа | 0,05 | 0,05 | 0,05 |
| Масса (без раб.жидкости), кг, не более | 100/119 | 146,5/ 159,5 | 154/ 167 |
Гидравлическая схема насосов с электрогидравлическим управлением, см.рис.1
РИС.1

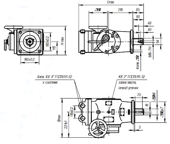
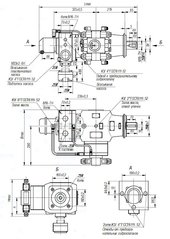
Габаритные и присоединительные размеры насосов типа НАП..140-20:
РИС.2



производитель
Республика Беларусь
Если вы хотите купить насосы НАПР 140-20, НАПЭЛ 140-20, НАПЭСЛ 140-20 , вы можете:
Позвонить:
