Насосы типа НАР-Ф 63/22 и НАД-Ф 63/22
Для подачи масла под давлением до 22 МПа в гидросистемы различных прессов, термопластавтоматов, прокатных станов и других агрегатов применяют насосы типа НАР-Ф 63/22 и НАД-Ф 63/22.Данный тип насосов представляет собой агрегат, состоящий из следующих узлов:
- аксиально-поршневого насоса высокого давления;
- механизма регулирования подачи.
При этом механизм регулирования подачи у насоса:
- НАР-Ф 63/22 — ручной с переменным направлением потока масла, что позволяет изменять подачу масла вручную от нуля до номинального значения при работе без нагрузки и при давлении не выше 0,5 МПа;
- НАД-Ф 63/22 — регулятор мощности с постоянным направлением потока масла, позволяющим автоматически изменять подачу масла в режиме постоянной выходной мощности и в диапазоне от 30% до 80% от номинальной мощности на одной полости насоса.
Условное обозначение насоса НАР-Ф 63/22
| 1, 2 | Исполнение | Без индекса - без вспомогательного насоса, 1 - со вспомогательным насосом однопоточным, 2 - со вспомогательным насосом двухпоточным (по спец. заказу) |
| НА | Тип насоса | НА |
| Р | Вид управления | Ручной механический |
| Ф | Дополнительное обозначение | Форсированный по давлению |
| 63 | Рабочий объем | 63 см3 |
| 22 | Номинальное давление | 22 МПа |
| УХЛ, О | Климатическое исполнение | УХЛ - умеренно-холодный, О - тропический |
| 4 | Категория размещения | 4 |
Технические характеристики насосов типа НАР-Ф 63/22
| Рабочий объем, см3 | 63 |
| Номинальная частота вращения, с-1(об/мин): | 25 (1500) |
| Подача, л/мин | 89 |
| Номинальное давление на выходе, МПа: | 22 |
| Номинальная мощность, кВт: | 36,36 |
| Масса, кг | 62 |
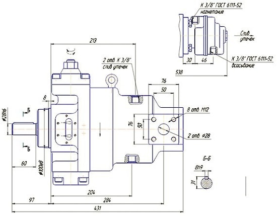
Габаритные и присоединительные размеры насосов типа НАР-Ф 63/22:


Условное обозначение насоса НАД-Ф 63/22
| 1, 2 | Исполнение | Без индекса - без вспомогательного насоса, 1 - со вспомогательным насосом однопоточным, 2 - со вспомогательным насосом двухпоточным (по спец. заказу) |
| НА | Тип насоса | НА |
| Д | Вид управления | С регулятором мощности |
| Ф | Дополнительное обозначение | Форсированный по давлению |
| 63 | Рабочий объем | 63 см3 |
| 22 | Номинальное давление | 22 МПа |
| УХЛ, О | Климатическое исполнение | УХЛ - умеренно-холодный, О - тропический |
| 4 | Категория размещения | 4 |
Технические характеристики насосов типа НАД-Ф 63/22(параметры НАД 63/22 и НАД1-63/22 соответственно)
| Рабочий объем, см3 | 63 | 63 |
| Номинальная частота вращения, с-1(об/мин): | 25 (1500) | 25 (1500) |
| Подача, л/мин | 89 | 89 |
| Номинальное давление на выходе, МПа: | 22 | 22 |
| Номинальная мощность, кВт: | 36,36 | 33,0 |
| Масса, кг | 62 | 65 |
Габаритные и присоединительные размеры насосов типа НАД-Ф 63/22:

производитель
Шахтинский завод Гидропривод
Если вы хотите купить насосы типа НАР-Ф 63/22 и НАД-Ф 63/22 , вы можете:
Позвонить:
