Насосы типа РНА (С,М,1Д,3Д,1Р,4Х,П1).../35
Аксиально-поршневые регулируемые насосы, относящиеся к группе насосов типа РНА.../35 широко применяются в гидросистемах литейно-прокатных станков, различных прессов, литьевых машин, испытательных стендов, автобетононасосов и других агрегатов.Насос типа РНАС.../35 является нереверсивным по направлению потока рабочей жидкости.
Данные насосы состоят из следующих узлов:
- аксиально-поршневого насоса высокого давления;
- механизма регулирования подачи;
- насоса низкого давления ( для насосов РНАС../35, 1РНА4Х../35, 1РНАП1../35--это вспомогательный насос, для насосов РНАМ../35, РНА1Д../35, РНА3Д../35, РНА1Р../35--насос устанавливается по спец.заказу).
Насосы могут быть изготовлены со следующими механизмами регулирования подачи:
- для РНАС../35 - следящий гидравлический, который обеспечивает установку любой подачи насоса от нуля до номинальной;
- для РНАМ../35 - регулятор мощности с ручной настройкой, который обеспечивает поддержание постоянной мощности насоса в пределах рабочего цикла (установка подачи автоматическая в зависимости от величины давления на выходе насоса);
- для РНА1Д../35 - регулятор давления, который обеспечивает постоянное давление в гидравлической системе с переменным расходом рабочей жидкости;
- для РНА3Д../35 - дистанционный регулятор давления, который обеспечивает постоянное давление в гидравлической системе с переменным расходом рабочей жидкости (макс.удаление регулятора от насоса не более 2м);
- для РНА1Р../35 - ручной, который обеспечивает изменение подачи вручную от нуля до номинального значения при работе насоса;
- для 1РНА4Х../35 - четырёхходовый электрогидравлический, который обеспечивает возможность получения четырёх подач: нулевую, максимальную и две промежуточные регулируемые на одной полости;
- для 1РНАП1../35 - пропорциональный с дистанционным управление, который обеспечивает изменение подачи в зависимости от величины электрического тока в цепи управления.
Ниже приведены примеры условных обозначений, а также и габаритные и присоединительные размеры насосов типа РНА../35:
Условное обозначение РНАС../35:
| 1 | Исполнение | Без индекса - без вспомогательного насоса, 1 - со вспомогательным насосом однопоточным, 2 - со вспомогательным насосом двухпоточным (по спец. заказу) |
| РНА | Тип насоса | РНА |
| С | Вид управления | Следящий |
| 32,63,125,250 | Рабочий объем | 32, 63, 125, 250 см3 |
| 35 | Номинальное давление | 35 МПа |
| УХЛ, О | Климатическое исполнение | УХЛ - умеренно-холодный, О - тропический |
| 4 | Категория размещения | 4 |
Технические харктеристики насосов типа РНАС../35:
| Параметры | РНАС | |||
| 32/35 | 63/35 | 125/35 | 250/35 | |
| Рабочий объем, см3 | 32 | 63 | 125 | 250 |
| Частота вращения, с-1(об/мин): | ||||
| номинальная | 25 (1500) | |||
| Подача, л/мин | 44,2 | 87 | 172,5 | 345 |
| Давление на выходе, МПа: | ||||
| номинальное | 32 | |||
| Номинальная мощность, кВт: | 27 | 52,5 | 102,5 | 205 |
| Масса, кг | 36 | 57 | 120 | 213 |
| Параметры | 1РНАС | |||
| 32/35 | 63/35 | 125/35 | 250/35 | |
| Рабочий объем, см3 | 32 | 63 | 125 | 250 |
| Частота вращения, с-1(об/мин): | ||||
| номинальная | 25 (1500) | |||
| Подача, л/мин | 45,6 | 89,8 | 178 | 356,3 |
| Давление на выходе, МПа: | ||||
| номинальное | 32 | |||
| Номинальная мощность, кВт: | 27,7 | 56 | 108,6 | 211,7 |
| Масса, кг | 40 | 66 | 136 | 238 |
Условное обозначение РНАМ../35:
| 1 | Исполнение | Без индекса - без вспомогательного насоса, 1 - со вспомогательным насосом однопоточным, 2 - со вспомогательным насосом двухпоточным (по спец. заказу) |
| РНА | Тип насоса | РНА |
| М | Вид управления | Регулятор мощности |
| 32,63,125,250 | Рабочий объем | 32, 63, 125, 250 см3 |
| 35 | Номинальное давление | 35 МПа |
| УХЛ, О | Климатическое исполнение | УХЛ - умеренно-холодный, О - тропический |
| 4 | Категория размещения | 4 |
Технические характеристики насосов типа РНАМ../35:
| Параметры | РНАМ | |||
| 32/35 | 63/35 | 125/35 | 250/35 | |
| Рабочий объем, см3 | 32 | 63 | 125 | 250 |
| Частота вращения, с-1(об/мин): | ||||
| номинальная | 25 (1500) | |||
| Подача, л/мин | 44 | 87 | 172 | 345 |
| Давление на выходе, МПа: | ||||
| номинальное | 32 | |||
| Номинальная мощность, кВт: | 27 | 52,5 | 102,5 | 205 |
| Масса, кг | 38 | 60 | 123 | 215 |
| Параметры | 1РНАМ | |||
| 32/35 | 63/35 | 125/35 | 250/35 | |
| Рабочий объем, см3 | 32 | 63 | 125 | 250 |
| Частота вращения, с-1(об/мин): | ||||
| номинальная | 25 (1500) | |||
| Подача, л/мин | 44 | 87 | 172 | 345 |
| Давление на выходе, МПа: | ||||
| номинальное | 32 | |||
| Номинальная мощность, кВт: | 28,5 | 54,4 | 107 | 215 |
| Масса, кг | 43,5 | 65,5 | 135 | 226 |
Условное обозначение РНА1Д../35
| 1 | Исполнение | Без индекса - без вспомогательного насоса, 1 - со вспомогательным насосом однопоточным, 2 - со вспомогательным насосом двухпоточным (по спец. заказу) |
| РНА | Тип насоса | РНА |
| 1Д | Вид управления | Регулятор давления |
| 32,63,125,250 | Рабочий объем | 32, 63, 125, 250 см3 |
| 35 | Номинальное давление | 35 МПа |
| УХЛ, О | Климатическое исполнение | УХЛ - умеренно-холодный, О - тропический |
| 4 | Категория размещения | 4 |
Технические характеристики насосов типа РНА1Д../35:
| Параметры | РНА1Д | |||
| 32/35 | 63/35 | 125/35 | 250/35 | |
| Рабочий объем, см3 | 32 | 63 | 125 | 250 |
| Частота вращения, с-1(об/мин): | ||||
| номинальная | 25 (1500) | |||
| Подача, л/мин | 44 | 87 | 172,5 | 345 |
| Давление на выходе, МПа: | ||||
| номинальное | 32 | |||
| Номинальная мощность, кВт: | 27 | 52,5 | 102,5 | 205 |
| Масса, кг | 35 | 50 | 120 | 209 |
| Параметры | 1РНА1Д | |||
| 32/35 | 63/35 | 125/35 | 250/35 | |
| Рабочий объем, см3 | 32 | 63 | 125 | 250 |
| Частота вращения, с-1(об/мин): | ||||
| номинальная | 25 (1500) | |||
| Подача, л/мин | 44 | 87 | 172,5 | 345 |
| Давление на выходе, МПа: | ||||
| номинальное | 32 | |||
| Номинальная мощность, кВт: | 28,4 | 54,8 | 107,4 | 212,2 |
| Масса, кг | 40,5 | 55,5 | 132 | 221 |
Условное обозначение РНА3Д../35
| 1 | Исполнение | Без индекса - без вспомогательного насоса, 1 - со вспомогательным насосом однопоточным, 2 - со вспомогательным насосом двухпоточным (по спец. заказу) |
| РНА | Тип насоса | РНА |
| 3Д | Вид управления | Дистанционный регулятор давления |
| 32,63,125,250 | Рабочий объем | 32, 63, 125, 250 см3 |
| 35 | Номинальное давление | 35 МПа |
| УХЛ, О | Климатическое исполнение | УХЛ - умеренно-холодный, О - тропический |
| 4 | Категория размещения | 4 |
Технические характеристики насосов типа РНА3Д../35
| Параметры | РНА3Д | |||
| 32/35 | 63/35 | 125/35 | 250/35 | |
| Рабочий объем, см3 | 32 | 63 | 125 | 250 |
| Частота вращения, с-1(об/мин): | ||||
| номинальная | 25 (1500) | |||
| Подача, л/мин | 44 | 87 | 172,5 | 345 |
| Давление на выходе, МПа: | ||||
| номинальное | 32 | |||
| Номинальная мощность, кВт: | 27 | 52,5 | 102,5 | 205 |
| Масса, кг | 35 | 50 | 120 | 209 |
| Параметры | 1РНА3Д | |||
| 32/35 | 63/35 | 125/35 | 250/35 | |
| Рабочий объем, см3 | 32 | 63 | 125 | 250 |
| Частота вращения, с-1(об/мин): | ||||
| номинальная | 25 (1500) | |||
| Подача, л/мин | 44 | 87 | 172,5 | 345 |
| Давление на выходе, МПа: | ||||
| номинальное | 32 | |||
| Номинальная мощность, кВт: | 28,4 | 54,8 | 107,4 | 212,2 |
| Масса, кг | 40,5 | 55,5 | 132 | 221 |
Условное обозначение РНА1Р../35
| 1 | Исполнение | Без индекса - без вспомогательного насоса, 1 - со вспомогательным насосом однопоточным, 2 - со вспомогательным насосом двухпоточным (по спец. заказу) |
| РНА | Тип насоса | РНА |
| 1Р | Вид управления | Ручной |
| 32,63,125,250 | Рабочий объем | 32, 63, 125, 250 см3 |
| 35 | Номинальное давление | 35 МПа |
| УХЛ, О | Климатическое исполнение | УХЛ - умеренно-холодный, О - тропический |
| 4 | Категория размещения | 4 |
Технические характеристики насосов типа РНА1Р../35
| Параметры | РНА1Р | |||
| 32/35 | 63/35 | 125/35 | 250/35 | |
| Рабочий объем, см3 | 32 | 63 | 125 | 250 |
| Частота вращения, с-1(об/мин): | ||||
| номинальная | 25 (1500) | |||
| Подача, л/мин | 45,6 | 89,7 | 178 | 356,2 |
| Давление на выходе, МПа: | ||||
| номинальное | 32 | |||
| Номинальная мощность, кВт: | 26,8 | 52,2 | 102,3 | 204,7 |
| Масса, кг | 42 | 64 | 136 | 257,5 |
| Параметры | 1РНА1Р | |||
| 32/35 | 63/35 | 125/35 | 250/35 | |
| Рабочий объем, см3 | 32 | 63 | 125 | 250 |
| Частота вращения, с-1(об/мин): | ||||
| номинальная | 25 (1500) | |||
| Подача, л/мин | 45,6 | 89,7 | 178 | 356,2 |
| Давление на выходе, МПа: | ||||
| номинальное | 32 | |||
| Номинальная мощность, кВт: | 27,7 | 56 | 108,6 | 21,7 |
| Масса, кг | 47,5 | 69,5 | 147,5 | 257,5 |
Условное обозначение РНА4Х../35
| 1 | Исполнение | Без индекса - без вспомогательного насоса, 1 - со вспомогательным насосом однопоточным, 2 - со вспомогательным насосом двухпоточным (по спец. заказу) |
| РНА | Тип насоса | РНА |
| 4Х | Вид управления | Четырехходовой электрогидравлический |
| 32,63,125,250 | Рабочий объем | 32, 63, 125, 250 см3 |
| 35 | Номинальное давление | 35 МПа |
| УХЛ, О | Климатическое исполнение | УХЛ - умеренно-холодный, О - тропический |
| 4 | Категория размещения | 4 |
Технические характеристики насосов типа РНА4Х../35
| Параметры | РНА4Х | |||
| 32/35 | 63/35 | 125/35 | 250/35 | |
| Рабочий объем, см3 | 32 | 63 | 125 | 250 |
| Частота вращения, с-1(об/мин): | ||||
| номинальная | 25 (1500) | |||
| Подача, л/мин | 45,6 | 89,7 | 178 | 356,2 |
| Давление на выходе, МПа: | ||||
| номинальное | 32 | |||
| Номинальная мощность, кВт: | 27,7 | 56 | 108,6 | 211,7 |
| Масса, кг | 54,5 | 82,5 | 162 | 245 |
Условное обозначение РНАП1../35
| 1 | Исполнение | Без индекса - без вспомогательного насоса, 1 - со вспомогательным насосом однопоточным, 2 - со вспомогательным насосом двухпоточным (по спец. заказу) |
| РНА | Тип насоса | РНА |
| П1 | Вид управления | Пропорциональный с дистанционным управлением |
| 63,125,250 | Рабочий объем | 63, 125, 250 см3 |
| 35 | Номинальное давление | 35 МПа |
| УХЛ, О | Климатическое исполнение | УХЛ - умеренно-холодный, О - тропический |
| 4 | Категория размещения | 4 |
Технические характеристики насосов типа РНАП1../35
| Параметры | РНАП1 | ||
| 63/35 | 125/35 | 250/35 | |
| Рабочий объем, см3 | 63 | 125 | 250 |
| Частота вращения, с-1(об/мин): | |||
| номинальная | 25 (1500) | ||
| Подача, л/мин | 89 | 178 | 356,3 |
| Давление на выходе, МПа: | |||
| номинальное | 32 | ||
| Номинальная мощность, кВт: | 56 | 108,6 | 211,7 |
| Масса, кг | 66 | 136 | 238 |
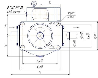
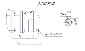
Габаритные и присоединительные размеры насосов типа РНА../35 :
1. насос РНАС../35
| Обозначение | 32/35 | 63/35 | 125/35 | 250/35 |
| L1 | 338,2 | 388,3 | 483,5 | 598 |
| L2 | 173,5 | 210 | 265 | 332 |
| L3 | 70 | 69,5 | 84,5 | 100 |
| L4 | 47 | 57 | 71 | 87 |
| L5 | 5 | 6 | 8 | 8 |
| L6 | 17 | 20 | 25 | 32 |
| L7 | 65 | 74,9 | 99,8 | 120 |
| L10 | 571,8 | 618,8 | 757,5 | 871 |
| H1 | 240 | 291,5 | 361,5 | 431,5 |
| H2 | 333,5 | 349 | 454,5 | 501 |
| H5 | 94 | 112 | 142 | 174 |
| B1 | 246 | 290 | 372 | 440 |
| B3 | 144 | 172 | 220 | 268 |
| D1 | 28 | 35 | 45 | 55 |
| D3 | 34 | 40 | 51 | 68 |
| D4 | К 1/2" | К 1/2" | К 1" | К 1 1/4" |
| D5 | 11 | 14 | 18 | 21 |
| D6 | 105 | 125 | 155 | 195 |
| D9 | К 3/8" | К 3/8" | - | - |
| D10 | К 3/8" | К 3/8" | К 1/2" | К 3/4" |
| D11 | - | - | М 33х2 | М 33х2 |



2. насос РНАМ../35
| Обозначение | 32/35 | 63/35 | 125/35 | 250/35 |
| L1 | 338,2 | 388,3 | 483,5 | 598 |
| L1 | 338 | 388 | 484 | 598 |
| L2 | 243,5 | 279,5 | 350,5 | 432 |
| L3 | 70 | 69,5 | 85 | 100 |
| L4 | 47 | 57 | 71 | 87 |
| L5 | 5 | 6 | 6 | 8 |
| L6 | 17 | 20 | 25 | 32 |
| L7 | 65 | 75 | 100 | 120 |
| L10 | 488 | 536 | 689 | 801 |
| H1 | 240 | 291,5 | 361,5 | 431,5 |
| H5 | 94 | 112 | 142 | 174 |
| H6 | 31 | 38 | 48,5 | 59 |
| B2 | 169 | 202 | 257 | 316 |
| B3 | 144 | 172 | 220 | 268 |
| B5 | 8 | 10 | 14 | 16 |
| D1 | 28 | 35 | 45 | 55 |
| D2 | 34 | 40 | 51 | 68 |
| D3 | 23 | 28 | 35 | 52 |
| D4 | К 1/2" | К 1/2" | К 1" | К 1/4" |
| D5 | 11 | 14 | 18 | 22 |
| D6 | 105 | 125 | 155 | 195 |
| D8 | К 1/8" | К 3/8" | - | - |
| D9 | К 3/8" | К 3/8" | - | - |
| D10 | - | - | М 33х2 | М 33х2 |
| D11 | - | - | М22х1,5 | М 22х1,5 |



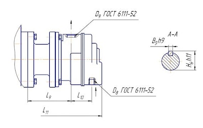
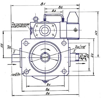
3. насос РНА1Д../35
| Обозначение | 32/35 | 63/35 | 125/35 | 250/35 |
| B1 | 144 | 172 | 220 | 268 |
| B2 | 169 | 202 | 257 | 316 |
| B3 | 246 | 290 | 372 | 440 |
| B4 | 125 | 141 | 158 | 176 |
| B5 | 8 | 10 | 14 | 16 |
| D1 | 28 | 35 | 45 | 55 |
| D2 | 23 | 28 | 35 | 52 |
| D3 | 34 | 40 | 51 | 68 |
| D4 | 11 | 14 | 18 | 21 |
| D5 | 105 | 125 | 155 | 195 |
| D6 | 90 | 110 | 135 | 170 |
| D7 | К 1/2" | К 1/2" | К 1" | К 1 1/4" |
| D8 | К 3/8" | К 3/8" | М 33х2 | М 33х2 |
| D9 | К 3/8" | К 3/8" | М 22х1,5 | М 22х1,5 |
| H1 | 94 | 112 | 142 | 174 |
| H2 | 115 | 142 | 182 | 220 |
| H3 | 83,5 | 102 | 131 | 156 |
| H4 | 88,5 | 106,5 | 137 | 168 |
| H5 | 240 | 291,5 | 361,5 | 431,5 |
| H6 | 31 | 38 | 48,5 | 59 |
| L1 | 352 | 391 | 455 | 518 |
| L2 | 338,2 | 388,8 | 483,5 | 598 |
| L3 | 173,5 | 210 | 265 | 332 |
| L4 | 47 | 57 | 71 | 87 |
| L5 | 70 | 69,5 | 84,5 | 100 |
| L6 | 55 | 74,9 | 99,8 | 120 |
| L7 | 5 | 6 | 6 | 8 |
| L8 | 17 | 20 | 25 | 32 |
| L9 | 85 | 85 | 111 | 111 |
| L10 | 46 | 46 | 85 | 85 |
| L11 | 488 | 536 | 689 | 801 |



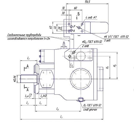
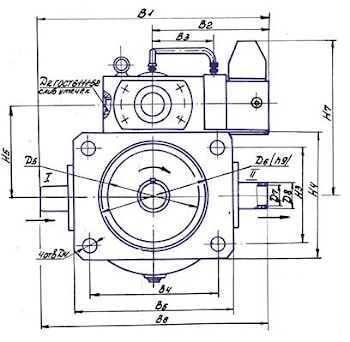
3. насос РНА3Д../35
| Обозначение | 32/35 | 63/35 | 125/35 | 250/35 |
| B1 | 144 | 172 | 220 | 268 |
| B2 | 169 | 202 | 257 | 316 |
| B3 | 246 | 290 | 372 | 440 |
| B4 | 80 | 91 | 108 | 130 |
| B5 | 8 | 10 | 14 | 16 |
| D1 | 28 | 35 | 45 | 55 |
| D2 | 23 | 28 | 35 | 52 |
| D3 | 34 | 40 | 51 | 68 |
| D4 | 11 | 14 | 18 | 21 |
| D5 | 105 | 125 | 155 | 195 |
| D6 | 30 | 110 | 135 | 170 |
| D7 | K 1/2" | K 1/2" | K 1" | K 1 1/4" |
| D8 | К 3/8" | К 3/8" | М 33х2 | М 33х2 |
| D9 | К 3/8" | К 3/8" | М 22х1,5 | М 22х1,5 |
| D10 | K 1/4" | K 1/4" | К 3/8" | К 3/8" |
| H1 | 94 | 112 | 142 | 174 |
| H2 | 119 | 142 | 182 | 220 |
| H3 | 83,5 | 102 | 131 | 156 |
| H4 | 88,5 | 106,5 | 137 | 168 |
| H5 | 240 | 291,5 | 361,5 | 431,5 |
| H6 | 31 | 38 | 48,5 | 59 |
| H7 | 88,5 | 102,5 | 135 | 165 |
| H8 | 94,5 | 114 | 149,5 | 181 |
| L1 | 338,2 | 388,8 | 483,5 | 598 |
| L2 | 173,5 | 210 | 265 | 332 |
| L3 | 70 | 69,5 | 84,5 | 100 |
| L4 | 47 | 57 | 71 | 87 |
| L5 | 5 | 6 | 6 | 8 |
| L6 | 17 | 20 | 25 | 32 |
| L7 | 65 | 74,3 | 99,8 | 120 |
| L8 | 85 | 85 | 111 | 111 |
| L9 | 46 | 46 | 78 | 78 |
| L10 | 488 | 536 | 679 | 791 |
| L11 | 22,5 | 21 | 25 | 25 |



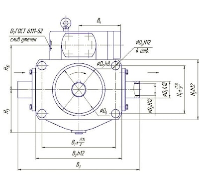
5. насос РНА1Р../35
| Обозначение | 32/35 | 63/35 | 125/35 | 250/35 |
| L1 | 432 | 596 | 716 | 849 |
| L2 | 338,2 | 388,8 | 483,5 | 598 |
| L3 | 243,5 | 279,5 | 349,5 | 432 |
| L4 | 47 | 57 | 71 | 87 |
| L5 | 70 | 69,5 | 84,5 | 100 |
| L6 | 5 | 6 | 6 | 8 |
| L7 | 17 | 20 | 25 | 32 |
| L8 | 65 | 74,9 | 99,8 | 120 |
| L11 | 488 | 539 | 689 | 801 |
| H1 | 94 | 11,2 | 142 | 174 |
| H5 | 240 | 291,5 | 361,5 | 431,5 |
| H6 | 31 | 38 | 48,5 | 59 |
| B1 | 144 | 172 | 220 | 268 |
| B3 | 246 | 290 | 372 | 440 |
| B4 | 8 | 10 | 14 | 16 |
| D1 | 28 | 35 | 45 | 55 |
| D3 | 34 | 40 | 51 | 68 |
| D4 | 11 | 14 | 18 | 21 |
| D5 | 105 | 125 | 155 | 195 |
| D7 | К 1/2" | К 1/2" | К 1" | К 1 1/4" |
| D8 | К 3/8" | К 3/8" | - | - |
| D9 | К 3/8" | К 3/8" | - | - |
| D10 | - | - | М 33х2 | М 33х2 |
| D11 | - | - | М22х1,5 | М 22х1,5 |



6. насос РНА4Х../35
| Обозначение | 32/35 | 63/35 | 125/35 | 250/35 |
| B1 | 327 | 360 | 418 | 457 |
| B2 | 204 | 215 | 232 | 237 |
| B3 | 94 | 105 | 122 | 111 |
| B4 | 144 | 172 | 220 | 258 |
| B5 | 189 | 202 | 257 | 316 |
| B6 | 246 | 290 | 372 | 440 |
| B7 | 8 | 10 | 14 | 16 |
| D1 | 28 | 35 | 45 | 55 |
| D2 | K 1/2" | K 1/2" | K 1" | K 1 1/4" |
| D3 | K 1/4" | K 1/4" | K 1/4" | K 1/4" |
| D4 | 11 | 14 | 18 | 22 |
| D5 | 90 | 110 | 135 | 170 |
| D6 | 105 | 125 | 155 | 195 |
| D7 | 23 | 28 | 35 | 52 |
| D8 | 34 | 40 | 51 | 68 |
| L1 | 572 | 619 | 757 | 871 |
| L2 | 326 | 374 | 469 | 582 |
| L3 | 243,5 | 279,5 | 350,5 | 432 |
| L4 | 47 | 57 | 71 | 87 |
| L5 | 17 | 20 | 25 | 32 |
| L6 | 5 | 6 | 6 | 8 |
| L7 | 65 | 75 | 100 | 120 |
| L8 | 70 | 69,5 | 84,5 | 100 |
| L9 | 24 | 32 | 10 | 33 |
| L10 | 458,5 | 504,5 | 656,5 | 771 |
| H1 | 100,5 | 100 | 146 | 174,5 |
| H2 | 333 | 373 | 423 | 483 |
| H3 | 94 | 112 | 142 | 174 |
| H4 | 119 | 142 | 162 | 220 |
| H5 | 88,5 | 106,5 | 137 | 168 |
| H6 | 31 | 38,3 | 48,5 | 58,8 |
| H7 | 246 | 265,6 | 285 | 319 |



7. насос РНАП1../35
| Обозначение | 63/35 | 125/35 | 250/35 |
| L1max | 618,8 | 757,5 | 871 |
| L2 | 210 | 265 | 332 |
| L3 | 69,5 | 84,5 | 100 |
| L4 | 57 | 71 | 87 |
| L5 | 6 | 8 | 8 |
| L6 | 20 | 25 | 32 |
| L7 | 74,9 | 99,8 | 120 |
| L8 | 101 | 134 | 134 |
| L9 | 382 | 475 | 590 |
| L10 | 515 | 665 | 730 |
| H1max | 350 | 460 | 520 |
| H2 | 106,5 | 137 | 168 |
| H3 | 112 | 142 | 174 |
| H4 | 142 | 182 | 220 |
| H5 | 38 | 48,5 | 59 |
| B1 | 290 | 372 | 440 |
| B2 | 202 | 257 | 316 |
| B3 | 172 | 220 | 268 |
| B4 | 10 | 14 | 16 |
| D1 | 35 | 45 | 55 |
| D2 | 28 | 35 | 52 |
| D3 | 40 | 51 | 68 |
| D4 | К 1/2" | К 1" | К 1 1/4" |
| D5 | 14 | 18 | 21 |
| D6 | 125 | 155 | 195 |
| D7 | К 3/8" | М 33х2 | М 33х2 |
| D8 | К 3/8" | К 1/2" | К 3/4" |



производитель
Шахтинский завод Гидропривод
Если вы хотите купить насосы типа РНА (С,М,1Д,3Д,1Р,4Х,П1).../35 , вы можете:
Позвонить:
