Насос 1НАС-Ф 63/22
Насосы типа 1НАС-Ф 63/22 устанавливаются в гидросистемах различных машин и агрегатов, таких как: пресс вулканизации для изготовления диафрагм, гидростанция станка СГПМ-800 др..Насос 1НАС-Ф 63/22 разработан для подачи масла под давлением до 22 МПа и представляет собой агрегат, состоящий из следующих узлов:
- аксиально-поршневого насоса высокого давления;
- механизма регулирования подачи (следящего гидравлического с переменным направлением потока масла, обеспечивающим плавное изменение подачи насоса от нуля до ном.значения на любой из полостей насоса при работе под давлением и без него);
- вспомогательного насоса низкого давления.
Вращение вала — правое.
Условное обозначение:
| 1, 2 | Исполнение | Без индекса - без вспомогательного насоса, 1 - со вспомогательным насосом однопоточным, 2 - со вспомогательным насосом двухпоточным (по спец. заказу) |
| НА | Тип насоса | НА |
| С | Вид управления | Следящий гидравлический |
| Ф | Дополнительное обозначение | Форсированный по давлению |
| 63 | Рабочий объем | 63 см3 |
| 22 | Номинальное давление | 22 МПа |
| УХЛ, О | Климатическое исполнение | УХЛ - умеренно-холодный, О - тропический |
| 4 | Категория размещения | 4 |
Технические технические характеристики насосов типа 1НАС-Ф 63/22:
| Рабочий объем, см3 | 63 |
| Номинальная частота вращения , с-1(об/мин) | 25 (1500) |
| Подача, л/мин | 89 |
| Номинальное давление на выходе, МПа: | 22 |
| Номинальная мощность, кВт: | 36,36 |
| Масса, кг | 73 |
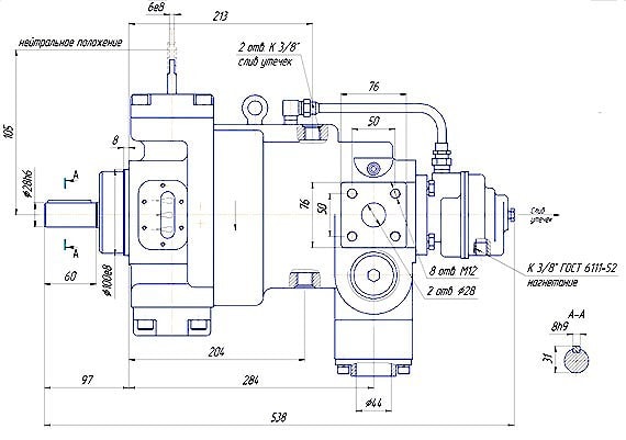
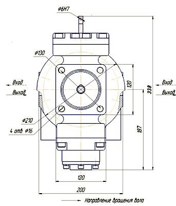
Габаритные и присоединительные размеры насосов типа 1НАС-Ф 63/22:


Если вы хотите купить насос 1НАС-Ф 63/22 , вы можете:
Позвонить:
