Насосы типа Н40..Е
Насосы радиально-поршневые эксцентриковые типа Н40..Е (реверсивные) устанавливаются в гидроприводах различных станков и агрегатов, где требуется давление до 20 МПа (для насосов типа Н400Е) и 32 МПа (для насосов типа Н401Е и Н403Е), а также реверсивный и нерегулируемый по величине поток рабочей жидкости.Насосы данного типа эксплуатируются на чистых минеральных маслах с кинематической вязкостью 17...213 мм2/с при температуре окружающей среды от 0С до 50С. В гидросистеме должен быть установлен фильтр, обеспечивающий тонкость фильтрации 25 мкм.
В зависимости от завода-изготовителя насосы типа Н40..Е могут иметь маркировку Н40..У и Н40..УР—АООТ "Ереванский завод "Гидропривод" (например: Н400У–правое вр., Н403УР–реверсивный) или НП ../32—ОАО "Шахтинский завод "Гидропривод" (например: НП12/32, НП25/32–только реверсивные).
Структура условного обозначения
| Н4 | Обозначение типа насоса |
| Х Х | Исполнение по рабочему объёму и давлению: 00–4см3 и 20Мпа; 01–12,5см3 и 32Мпа; 03–25см3 и 32Мпа |
| Е | модернизированная конструкция (реверсивное вращение) |
| Х Х | Климатическое исполнение и категория размещения: без обозначение–УХЛ4; О4–общеклиматическое исполнение |
Технические характеристики насосов типа Н40..Е
| Наименование параметра | Типоразмер насоса | ||
| Н400Е | Н401Е | Н403Е | |
| Рабочий объём, см3 | 4 | 12,5 | 25 |
| Частота вращения ном., об/мин. | 1500 | ||
| Ном.подача. л/мин. | 5,5+/-5% | 17,06+/-5% | 34,12+/-5% |
| Давление на выходе, МПа (мин./макс.) | 20/ 28 | 32/ 40 | |
| Давление на входе, МПа (мин./макс.) | 0,005/ 0,01 | ||
| Коэффициент подачи | 0,91 | ||
| КПД | 0,82 | 0,85 | 0,85 |
| Номинальная мощность, КВт | 2,2 | 10,5 | 21 |
| Направление вращение вала | любое | ||
| Масса (без раб.жидкости), кг | 15 | 38 | 47 |
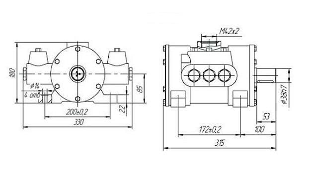
Габаритные и присоединительные размеры насосов типа Н40..Е

производитель
Коммунар-Сервис
Если вы хотите купить насосы типа Н40..Е , вы можете:
Позвонить:
