Насосы типа 50НР
Насосы нерегулируемые типа 50НР относятся к группе радиально-поршневых нерегулируемых насосов.Насосы данного типа предназначены для общемашиностроительного применения в гидроприводах, соответствующих требованиям ГОСТ 17411 с постоянным направлением потока рабочей жидкости. Насосы типа 50НР выпускаются с одним или двумя отводами и обеспечивают получение одного или двух потоков рабочей жидкости номинальным давлением до 50 МПа.
Насосы типа 50НР эксплуатируются при погружении в рабочую жидкость—минеральное масло. По заказу потребителя могут быть изготовлены в непогружном исполнении.
Структура условного обозначения насоса типа 50НР
50Н Р Х / Х Х Л Х
| 50Н | Насос на номинальное давление 50 МПа | |||||||||||
| Р | Р - радиально-поршневой | |||||||||||
| Х | Рабочий объем поршневого насоса, см3 (4; 6,3; 8; 10; 14;16; 32) | |||||||||||
| / | ||||||||||||
| Х | Количество отводов: без обозначения - с одним отводом; 2–с двумя отводами | |||||||||||
| Х | Рабочий объем пластинчатого насоса, см3 (без обозначения -макс.объём 12,5 см3) | |||||||||||
| Л | Направление вращения: без обозначения - правое вращение; Л - левое вращение. | |||||||||||
| Х | Вид исполнения: без обозначения—непогружное исполнение, П—погружное исполнение | |||||||||||
| Х | Климатическое исполнение и категория размещения: без обозначения - исполнение УХЛ4; О4–общеклиматическое исполнение | |||||||||||
Технические характеристики насосов типа 50НР
| Наименование параметра | Величина параметров для насосов типа 50НР | |||||||||
| 4 | 6.3 | 8 | 8/2 | 10 | 16 | 32 | 32/2 | 63 | 63/2 | |
| Количество отводов радиально-поршневого насоса | 1 | 1 | 1 | 2 | 2 | 1 | 1 | 2 | 1 | 2 |
| Номинальный рабочий объем, см3 | ||||||||||
| радиально-поршневого насоса | 4 | 6 | 8 | 10 | 16 | 32 | 63 | |||
| одного отвода радиально-поршневого насоса | 8/2 | 32/2 | 63/2 | |||||||
| Частота вращения, с-1 (об/мин) | ||||||||||
| номинальная | 25(1500) | |||||||||
| максимальная | 25(1500) | |||||||||
| минимальная | 5(300) | |||||||||
| Подача, л/мин | ||||||||||
| радиально-поршневого насоса, номинальная | 5,5 | 8,6 | 11 | 11 | 13,2 | 22 | 44,1 | 80 | 80 | |
| одного отвода насоса, номинальная | 5,5 | 22 | 40 | |||||||
| Давление на выходе, МПа | ||||||||||
| номинальное | 50 | |||||||||
| максимальное | 63 | |||||||||
| Давление на входе, МПа | ||||||||||
| номинальное | -0,02 | |||||||||
| максимальное | 0,05 | |||||||||
| Коэффициент подачи, не менее радиально-поршневого насоса, в том числе одного отвода | 0,93 | 0,93 | 0,93 | 0,93 | 0,93 | 0,93 | 0,93 | 0,93 | 0,91 | 0,91 |
| КПД, не менее | ||||||||||
| насоса | 0,92 | |||||||||
| при работе одного отвода | 0,84 | |||||||||
| Масса насоса (без рабочей жидкости), кг не более, исполнение фланцевое | 19 | 19 | 24 | 24 | 33 | 33 | 39 | 39 | 77 | 77 |
| Номинальная мощность, кВт | ||||||||||
| насоса | 7,7 | 9,8 | 9,8 | 11,7 | 19,5 | 39,2 | 39,2 | 71 | 71 | |
| при нагрузке на один отвод | 4,9 | 5,1 | 21,4 | 39 | ||||||
| Холодоустойчивость, оС для исполнения УХЛ и 0 | -50 | |||||||||
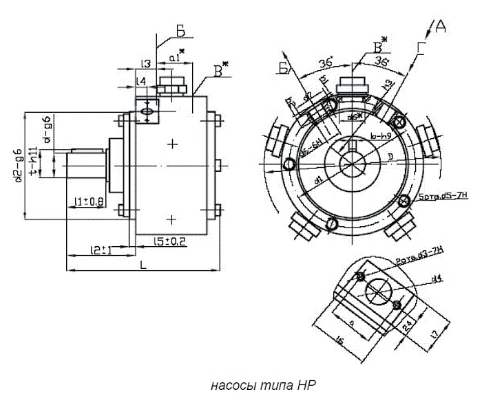
Габаритные и присоединительные размеры насосов типа 50НР
| Насос | L | I1 | I2 | I3 | I4 | I5 | I6 | I7 | h1 | h2 | h3 | a1 | a | B | D | d | d1 | d2 | d3 | d4 | d5 | d6 | d7 | t |
| 50НР 4 | 204 | 58 | 94 | 42 | 21,5 | 8 | 65 | 45 | 2 | 18 | 83 | - | 54 | 10 | 246 | 36 | 162 | 145 | М10*15 | 22 | М8*15 | М27*2 | 35 | 39 |
| 50НР 6.3 | ||||||||||||||||||||||||
| 50НР 8 | 227 | 58 | 94 | 27 | 21,5 | 8 | 65 | 45 | 2 | 18 | 83 | 56 | 54 | 10 | 246 | 36 | 162 | 145 | М10*15 | 22 | М8*15 | М27*2 | 35 | 39 |
| 50НР 8/2 | ||||||||||||||||||||||||
| 50НР 10 | 247 | 80 | 120 | 50 | 24 | 8 | 83 | 50 | 2 | 18 | 102 | 56 | 60 | 10 | 288 | 36 | 195 | 175 | М10*15 | 31 | М8*15 | М27*2 | 35 | 39 |
| 50НР 16 | ||||||||||||||||||||||||
| 50НР 32 | 278 | 120 | 38 | |||||||||||||||||||||
| 50НР 32/2 | ||||||||||||||||||||||||
| 50НР 63 | 442 | 82 | 125 | 335 | 47 | 9 | - | - | 3 | 28 | - | 86 | - | 16 | 300 | 55 | 255 | 230 | - | М48*2 | М14*18 | М36*2 | 45 | 59 |
| 50НР 63/2 |

производитель
Коммунар-Сервис
Если вы хотите купить насосы типа 50НР , вы можете:
Позвонить:
