Соединитель электрический типа СЭ11-19
Для подключения различных устройств гидро и пневмоаппаратуры к сети постоянного или переменного тока часто используют соединитель электрический типа СЭ11-19 (иначе электроразъём, разъём). Соединитель электрический типа СЭ11-19 соответствует ТУ У31.2-00216875-105-2004 и DIN 43650A.
Для контроля и диагностики работы гидро/пневмоустройств используют электросоединители со световой индикацией, выполненные из прозрачной пластмассы.
В случае подключения потребителей постоянного тока к сети переменного тока применяют соединители электрические со встроенным выпрямителем.
Рабочее положение в пространстве—любое.
Степень защиты соединителей IP65 по ГОСТ 14255-69 (со стороны установочной поверхности вилки IP00).
Соединители предназначены для работы в условиях, когда верхнее значение температуры окружающей среды для всех климатических исполнений не более 50°С.
По условиям эксплуатации в части коррозионной активности атмосферы соединители соответствуют группам условий эксплуатации металлических изделий по ГОСТ 15150 – 69:
3–для климатического исполнения У;
3–для климатического исполнения Т;
4–для климатического исполнения УХЛ.
Структура условного обозначения соединителя типа СЭ11-19:
–СЭ—соединитель электрический;
–11—условное обозначение серии;
–19—номинальный ток 6,3А
Технические характеристики соединителя электрического СЭ 11-19
| Наименование параметра: | Значение: |
| Режим работы (ПВ %) | 100 |
| Номинальный выпрямленный ток, А | 6,3 |
| Номинальное напряжение переменного тока, В, частоты 50 и 60Гц: | |
| –для соединителей без световой индикации | 660 |
| –для соединителей со световой индикацией | 24, 48, 110, 220 |
| Номинальное напряжение постоянного тока, В: | |
| –для соединителей без световой индикации | 220 |
| –для соединителей со световой индикацией | 24, 48, 110, 220 |
| Число контактов: | |
| –силовых | 2 или 3 |
| –заземляющих | 1 |
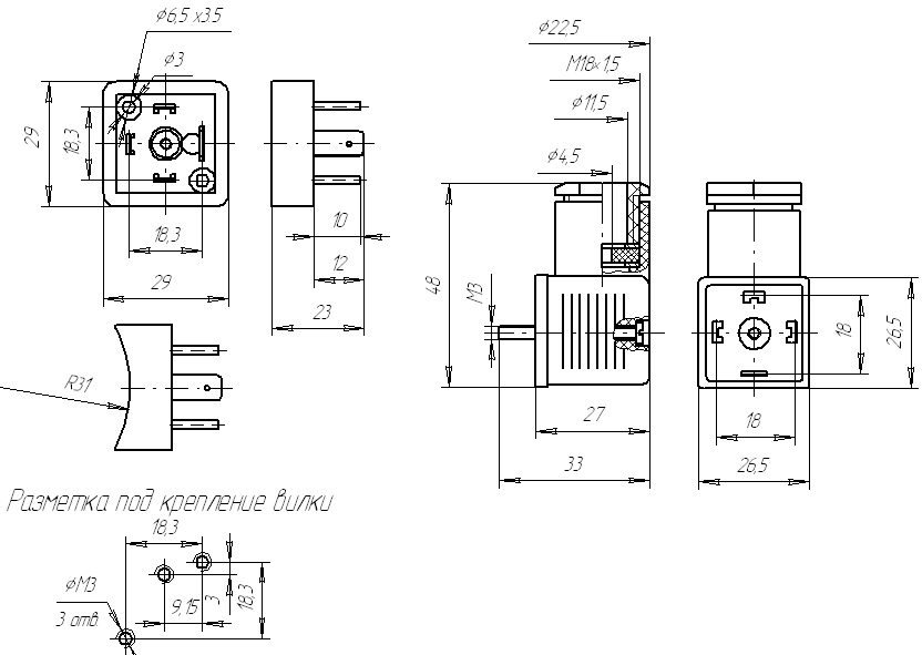
Габаритные и присоединительные размеры электросоединителей типа СЭ 11-19:

производитель
Спецэлектромагнит
Если вы хотите купить соединитель электрический типа СЭ11-19 , вы можете:
Позвонить:
