Вилки (базы) для соединителей по EN175301-803 (DIN 43650A)

Каждому типу разъёмов (А, В или С) соответствует база (вилка) формы А, В или С со соответствующим числом контактов.
Основные параметры базы (вилки) EN 175301-803 (DIN 43650A)
Параметр | Описание |
Число контактов | 2 или 3 плюс заземляющий контакт |
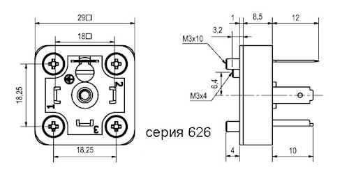
Расстояние между контактами | 18 мм |
Отверстие для фиксирующего винта | Резьба M3 |
Класс защиты | IP65 или IP67 в зависимости от вилки |
Номинальное напряжение (тип подсоединения заземляющего контакта) | 250 В (при паяном подсоединении) |
300 В (при подсоединении винтом) | |
Максимальное сечение проводника | 1.0 мм2 |
Комплект поставки | База+винты+плоская уплотнительная прокладка |
Основные коды заказов для баз формы А
Количество контактов | Код для заказа | Тип крепления |
2+заземляющий | 628200 | Крепление 2-мя винтами М3; провода припаиваются к контактам с внутренней стороны базы |
3+заземляющий | 628300 | |
2+заземляющий | 628245 | Крепление 1 винтом М4, провода припаиваются к контактам с внутренней стороны базы. |
Возможны варианты с другим радиусом присоединительной поверхности - для цилиндра диаметром 60 мм; 80 мм; 100 мм и т.д. | ||
3+заземляющий | 628345 | |
2+заземляющий | 626200 | Крепление 4-мя винтами М3; провода припаиваются к контактам с внутренней стороны базы |
3+заземляющий | 626300 | |
2+заземляющий | 604200 | Крепление 4-мя винтами М3; уменьшенная высота корпуса; провода припаиваются к контактам с внутренней стороны базы |
3+заземляющий | 604300 | |
2+заземляющий | 614200 | Крепление 4-мя винтами М3; уменьшенная высота корпуса; провода припаиваются к контактам с внутренней стороны базы; с внутренней стороны базы есть кольцо, ограничивающее зону пайки |
3+заземляющий | 614300 | |
2+заземляющий | 620200 | Крепление 2-мя винтами М3; провода припаиваются к контактам с наружной стороны базы |
3+заземляющий | 620300 |
Габаритные размеры для различных типов вилок (баз) формы А по EN 175301-803 (DIN 43650A)
Рис.1--плоское основание серия 604


Рис.2--плоское основание серия 614


Рис.3--плоское основание серия 620


Рис.4--плоское основание серия 626


Рис.5--плоское основание серия 628


Рис.6--базы для цилиндрических поверхностей серия 628


производитель
Россия
Если вы хотите купить вилки (базы) для соединителей по EN175301-803 (DIN 43650A) , вы можете:
Позвонить: