Шестерённые насосы типа Г11-11(А) и АГ11-11(А), Г11-11Б
Шестерённые насосы и агрегаты получили широкое распространение в гидравлических и смазочных системах металлообрабатывающего оборудования, прессов, подъемников и других машин и служат для:-для обеспечения смазки трущихся деталей и узлов;
- для перекачивания жидкостей;
- для создания рабочего давления в гидравлических системах.
Насосы (агрегаты) способны работать в широком диапазоне скоростей вращения приводного вала (от 600 об/мин до 1800 об/мин), что даёт возможность при установке специальных устройств изменять скорость вращения приводного вала электродвигателя, при этом возможно плавное либо ступенчатое регулирование подачи насоса в определенных пределах.
Шестерённые насосы имеют сертификат соответствия № РОСС RU.ММ03.В03945 с 12.07.2010 г.по11.07.2013 г. и соответствуют требованиям нормативных документов ГОСТ Р 52543-2006, ГОСТ 14658-86.
В зависимости от величины давления на выходе шестерённые насосы и агрегаты подразделяются на две группы:
–первая группа—насосы, обеспечивающие давление на выходе до 0,5 МПа;
–вторая группа—насосы, обеспечивающие давление на выходе до 2,5 МПа.
Шестерённые насосы типа Г11-11, Г11-11А; АГ11-11, АГ11-11А; Г11-11Б применяются для нагнетания под номинальным давлением 0,5 МПа (5 кгс/см²) технических масел или других смазывающих жидкостей. Насосы при определенных условиях имеют стабильные характеристики с незначительными отклонениями по величине, что позволяет их использовать в дозирующих устройствах.
Технические масла и смазывающие жидкости должны иметь кинематическую вязкость от 17 до 400 мм²/с (сСт) (при t жидкости от 283 К до 333 К (от 10ºС до 60ºС)) и не вызывать коррозию рабочих органов насоса.
Шестерённые насосы предназначены для эксплуатации в районах как с умеренным и холодным климатом (УХЛ) категории размещения 4, 1, так и с сухим или влажным тропическим климатом (Т), категория 4 по ГОСТ 15150.
Шестерённые насосы типа Г11-11.. подразделяются по виду крепления:
| Типоисполнение насоса | Вид крепления | Общий вид |
| Г11-11 Г11-11А Г11-11Б | на лапах на лапах на лапах | ![]() |
| АГ11-11 АГ11-11А АГ11-11Б | с фланцем с фланцем с фланцем | |
Структура условного обозначения:
| Г11- , АГ11- | 1 | 1 | без индекса, А, Б | У, ХЛ, Т | 1, 4 |
| Исполнение по виду крепления | Группа насоса | Типоразмер насоса | Индекс (буква) в зависимости от подачи (л/мин) | Климатическое исполнение | Категория размещения |
| Г11—насос с креплением на лапах; АГ11—насос с фланцевым креплением | Первая группа (Рном. до 0,5МПа) | Первый * | Без буквы—наибольшая подача—8 л/мин.; А—уменьшенная подача—5 л/мин.; Б—уменьшенная подача до 3 л/мин. | У—умеренный климат; ХЛ—холодный климат; Т--тропический | 1 или 4 |
*–насосы первой группы изготавливаются только в первом типоразмере.
Пример условного обозначения шестерённого насоса: Г11-11А УХЛ4, АГ11-11 ХЛ1.
Технические характеристики шестерённых насосов типа (А)Г11-11(А):
| Наименование параметра | Нормы для типоразмеров | |||
| Г11-11Б; АГ11-11Б | Г11-11А; АГ11-11А | Г11-11; АГ11-11; | ||
| 1 Рабочий объем, см³ | 3 | 5 | 8 | |
| 2 Номинальная подача, дм³/с (л/мин), не менее | 0,05 (3) | 0,083 (5) | 0,133 (8) | |
| 3 Коэффициент подачи, %, не менее | 69 | 74 | 76 | |
| 4Давление на выходе, МПа (кгс/см²): - номинальное - максимальное | 0,5 (5) 0,6 (6) | |||
| 5 Давление на входе, МПа (кгс/см²) | от минус 0,02 до 0,02 (от минус 0,2 до 0,2) | |||
| 6 Частота вращения, с-1(об/мин) - номинальная - минимальная - максимальная | 24 (1450) 10 (600) 25 (1500) | |||
| 7 Мощность при номинальном давлении, кВт, не более | 0,13 | 0,14 | 0,25 | |
| 8 Масса насосов, кг, не более | 2,2 | |||
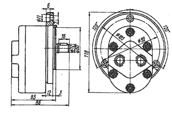
Габаритные и присоединительные размеры шестерённых насосов типа (А)Г11-11(А):
Насос типа Г11-11
Насос типа АГ11-11

производитель
Ново-Вятка
Если вы хотите купить шестерённые насосы типа Г11-11(А) и АГ11-11(А), Г11-11Б , вы можете:
Позвонить:


