Гидропневматические насосы типа НП-..
Для создания и поддержания заданной величины давления, а также для защиты от перегрузок в кривошипных прессах устанавливаются гидропневматические насосы типа НП.. Гидропневматические насосы, кроме того, могут использоваться для нагнетания масла в гидравлические объёмы гидропредохранителей.Гидропневматические насосы типа НП изготавливаются с рабочими объёмами 1,5 и 7,6 см3.
Насосы эксплуатируются на сжатом воздухе давлением 0,1...0,4 МПа, очищенном не грубее 10 класса загрязненности по ГОСТ 17433 и содержащим распыленное масло вязкостью 10...35 мм²/с при температуре +50°С. Рабочая среда гидроцилиндра–отфильтрованное минеральное масло вязкостью от 17 до 213 мм²/с, с номинальной тонкостью фильтрации не грубее 13 класса чистоты по ГОСТ 17216, температура масла от +10° до 50°С.
Гидропневмонасосы типа НП..выпускаются для районов с умеренным и холодным климатом—исполнение УХЛ4, а также с тропическим—О4 (по ГОСТ 15150).
Пример условного обозначения: насос НП 1/320М УХЛ4; насос НП 8/250М УХЛ4.
Технические характеристики гидропневматических насосов типа НП-..
| Параметры | Тип гидропневмонасоса | ||||
| НП 1/320М | НП 1/500М | НП 1/1000М | НП 8/250М | НП 8/320М | |
| Рабочий объем, см3 | 1,5 | 1,5 | 1,5 | 7,6 | 7,6 |
| Номинальная подача, л/мин, не менее | 1,0 | 0,7 | 0,5 | 2,0 | 2,0 |
| Номинальное давление масла на выходе, МПа | 32 | 50 | 100 | 25 | 32 |
| Максимальное давление сжатого воздуха (необходимое для создания номинального давления масла на выходе), МПа | 0,4 | 0,4 | 0,3 | 0,4 | 0,4 |
| Минимальное давление сжатого воздуха, МПа | 0,1 | 0,1 | 0,1 | 0,1 | 0,1 |
| Минимальное давление сжатого воздуха (необходимое для создания давления масла на выходе 32МПа), МПа | 0,5 | ||||
| Время подъема давления масла в контрольном объеме до номинальной величины,мин, не более | 2,0 | 3,0 | 4,0 | 3,2 | 3,2 |
| Точность поддержания давления масла на выходе, %, не более | 10 | 10 | 10 | 15 | 10 |
| Контрольный объем | 2000 | 2000 | 2000 | 6300 | 6300 |
| Масса (без рабочей жидкости), кг, не более | 4,9 | 5,5 | 8,0 | 10,0 | 10,0 |
При монтаже гидропневмонасосов типа НП-.. следует выполнить ряд мероприятий:
–вывернуть нагнетательный клапан, заполнить полость гидроцилиндра рабочей жидкостью и завернуть клапан;
–проверить все внутренние поверхности системы труб для воздуха и жидкости на наличие следов окисления, проверить качество монтажа и установки гидрооборудования;
–наполнить резервуар и трубопровод, соединяющий его с насосом, маслом;
–отвернуть пробку (пару оборотов) для сброса воздуха из гидросистемы, в которую закачивается насосом масло;
–открыть входной вентиль на трубопроводе подвода воздуха к насосу;
–медленно с помощью редукционного клапана поднять давление воздуха до величин, пока насос не начнёт работать;
–следить за воздухоспускной пробкой пока из под нее не пойдут пузырьки воздуха с маслом. Как только пойдет воздух, пробку следует завернуть;
–увеличить давление в гидросистеме с помощью редукционного пневмоклапана до необходимой величины.
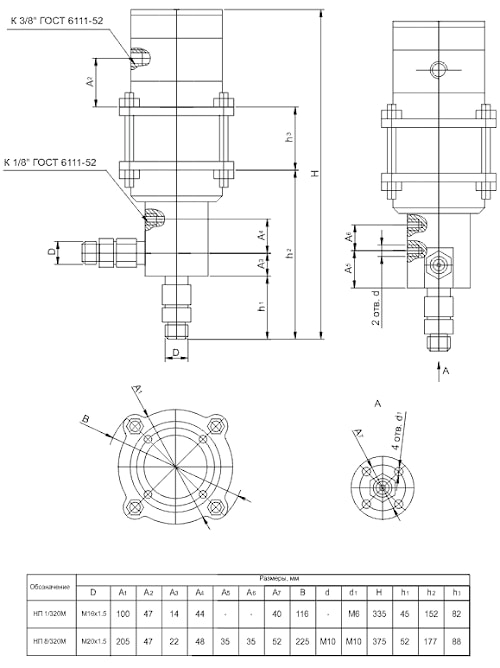
Габаритные и присоединительные размеры гидропневматических насосов типа НП-..

производитель
Пневмоаппарат
Если вы хотите купить гидропневматические насосы типа НП-.. , вы можете:
Позвонить:
