Электронасосы для CОЖ типа П-25М...200М
Для смазки, охлаждения, а также для предохранения от преждевременного износа режущего инструмента в различных станках применяются центробежные электронасосы типа П-25М…П-200М, иначе—помпы. Электронасосы типа П-25М…П-200М могут также применяться для подачи минеральных масел вязкостью от 1 до 90 сСт, с температурой от 10С до 50С при этом концентрация механических примесей должна быть не более 5 г/л, с размером частиц не более 0,5 мм. Данный тип насосов относится к моноблочным центробежным электронасосам (полупогружным одноступенчатым).Принцип действия электронасоса (помпы) состоит в следующем: при вращении вала э/двигателя рабочая жидкость перемещается путём обтекания лопастей крыльчатки, далее через профильный канал крышки насоса она поступает в систему через нагнетательное отверстие в стойке. Для предохранения от механических примесей на всасывающем отверстии крышки насоса установлена сетка. (Cм.обозначения на рисунке).
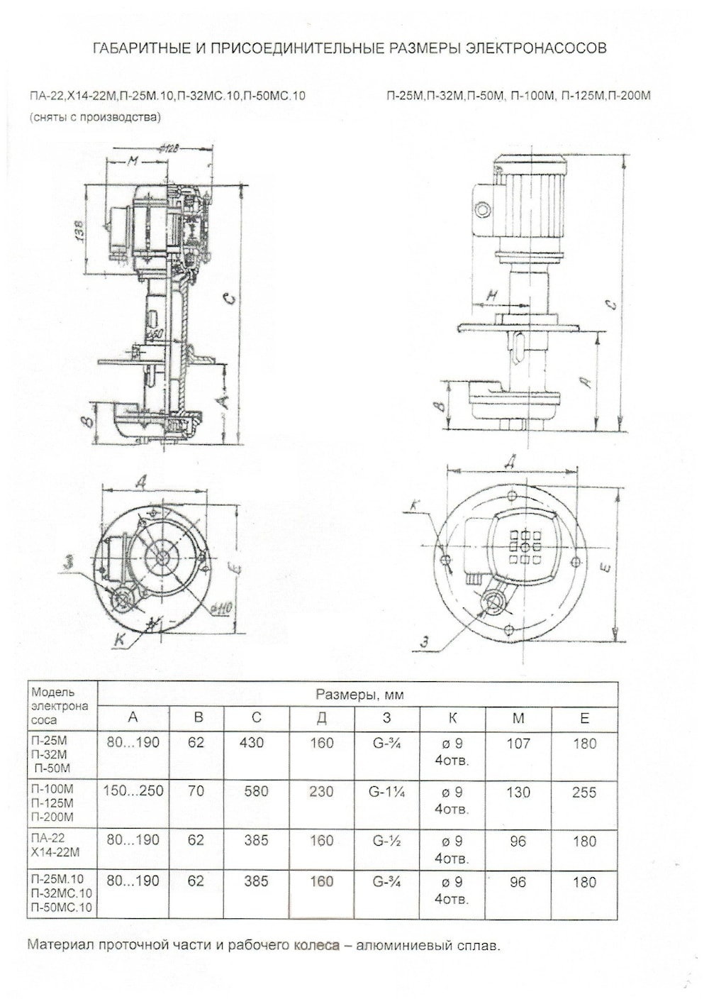
Проточная часть электронасоса (помпы) и рабочего колеса выполнена из алюминиевого сплава.
Глубина погружения (см.Рис.1):
для П-25М и П-50М—80-190мм;
для П-100мм и П-200М—150-250мм.
Для крепления электронасоса используется фланец (основание).
Наружный диаметр равен:
—для П25М, П-50М—180 мм;
—для П-100М, П-125М, П-200М—255 мм.
Электронасос (помпа) устанавливается в вертикальном положении и закрепляется на крышке бака с СОЖ или на станине станка четырьмя винтами (d=9 мм), при этом рабочая часть насоса должна быть погружена в рабочую жидкость.
В зависимости от завода-изготовителя электронасосы могут иметь маркировку НГ-..или Ц..-У3 (например: НГ1-25, Ц0,37-2,5У3, ПА-22 —аналоги П-25М; НГ2-50, Ц0,75-3,0У3 —аналоги П-50М).
Технические характеристики электронасосов (помп) типа П-25М---П-200 производства "Скопинского завода электронасосов":
| Марка электронасоса | Диаметр друбопровода, дюйм | Номинальное давление на выходе, МПа | Номинальная подача, л/мин. | Номинальная мощность, кВт | Вес , кг | Габаритные размеры, мм |
| П-25М и П-32М | G 3/4 | 0,04 | 25 / 32 | 0,18 | 7,0 | 430x180 |
| П-50М | G 3/4 | 0,04 | 50 | 0,18 | 7,0 | 430x180 |
| П-100М | G 1 1/4 | 0,063 | 100 | 0,75 | 18,0 | 580x255 |
| П-125М | G 1 1/4 | 0,063 | 125 | 0,75 | 18,0 | 580х255 |
| П-200М | G 1 1/4 | 0,08 | 200 | 0,75 | 18,0 | 580x255 |
Направление вращение вала электродвигателя (см. со стороны э/двигателя)–правое.
Габаритные размеры (см.Рис.2)

производитель
Россия
Если вы хотите купить электронасосы для CОЖ типа П-25М...200М , вы можете:
Позвонить:
