Ручная станция смазки LD (SHOWA)
Аналогично модели LA-.. данный тип имеет рычаг, но при воздействии на него мускульной силы, распределение масла происходит за счёт сжатия внутренней пружины. Доступны два варианта подачи: 6 см3 и 8 см3. Станция используется с устройствами типа PSS, PST и др..(SHOWA). Структура условного обозначения и технические характеристики станций LA:
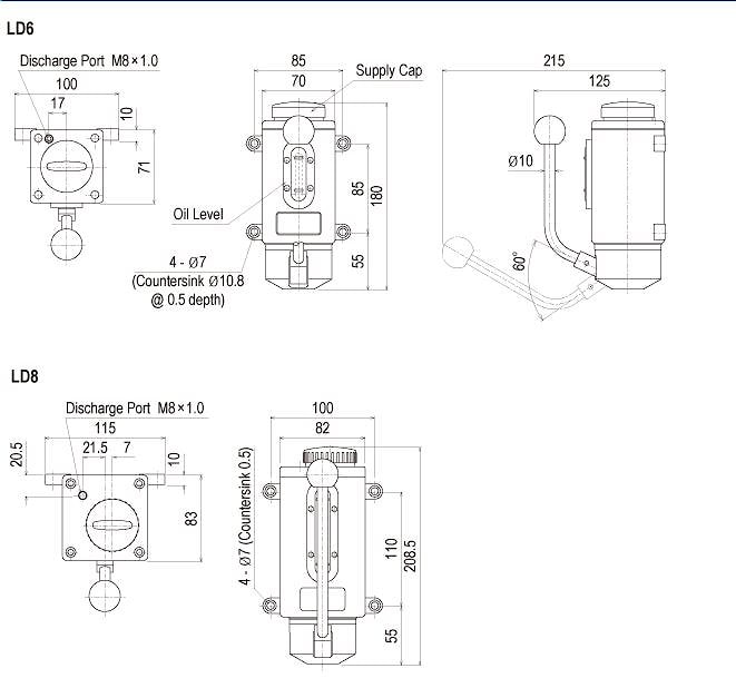
Габаритные и присоединительные размеры станций LA:

производитель
SHOWA
Если вы хотите купить ручная станция смазки LD (SHOWA) , вы можете:
Позвонить:
