Переходные плиты В6-7311 и В10-7312
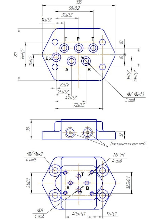
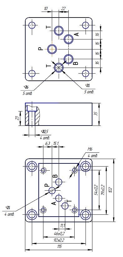
Для модернизации оборудования и возможности замены старых моделей гидрораспределителей типа ПГ73-.. на новые модели используют переходные монтажные плиты типа В6-7311 и В10-7312. Переходные плиты позволяют устанавливать современные четырёхлинейные гидрораспределители, при этом дренажное отверстие у старых моделей распределителей заглушается переходной плитой.Габаритные и присоединительные размеры переходных плит.
РИС.1. Переходная плита В6-7311 (для Ду-6 мм)

РИС.2. Переходная плита В10-7312 (для Ду-10 мм)

производитель
Россия
Если вы хотите купить переходные плиты В6-7311 и В10-7312 , вы можете:
Позвонить:
