Гидрозамки ГЗМ 6/3М и ГЗМ 10/3М
Гидрозамок ГЗМ-6/3М и ГЗМ10/3М представляет собой направляющий аппарат, модульного монтажа, устанавливаемый в гидроприводы различных станков, прессов и мобильной техники. Гидрозамки типа ГЗМ при отсутствии направляющего воздействия пропускают поток рабочей жидкости в одном направлении и в случае наличия управляющего воздействия—в обоих направлениях. Этим обеспечивается возможность предотвращения, например, самопроизвольного опускания груза, разжима детали, если произошло незапланированное падение давления в системе.В зависимости от числа запорно-регулирующих элементов гидрозамки подразделяются на односторонние и двухсторонние. Односторонние гидрозамки применяются для блокировки движения выходного звена гидродвигателя в одном направлении. Для блокировки выходного звена в двух направлениях применяются двухсторонние гидрозамки.
Условное обозначение гидрозамков:
1.-односторонний гидрозамок
2.-двухсторонний гидрозамокОдносторонний гидрозамок состоит из корпуса, имеющего:
1-запорно-регулирующий элемент;
2-нерегулируемую пружину;
3-толкатель;
Полости-А, Б, У

Рис.а)-показывает подачу рабочей жидкости к полости А
Рис.б)-показывает течение жидкости из полости А в полость Б (управляющий воздействие отсутствует и давление жидкости в полость У не подаётся)
Рис.в)-показывает подачу рабочей жидкости в полость Б (клапан закрыт)
Рис.г)-показывает течение жидкости из полости Б в полость А при наличии управляющего воздействия (запорно-регулирующий элемент открыт пока присутствует управляющее воздействие в полости У)
Двухторонний гидрозамок состоит из корпуса, имеющего:
1-два запорно-регулирующих элемента;
2-две нерегулируемые пружины;
3-плавающий толкатель;
Каналы-А, Б, В, Г

Рис.а)-показывает нейтральное положение

Рис.б)-показывает положение толкателя при подводе давления в канал А (запорный элемент открыт, жидкость поступает в канал В и оттуда к гидродвигателю, например, гидроцилиндру, одновременно открывается второй запорный элемент, обеспечивая пропуск жидкости от гидродвигателя в канал Г и затем в канал Б, и далее в сливную магистраль)
Если не производить подачу жидкости под давлением к каналам А и Б, то толкатель возвращается в нейтральное положение, Полости гидродвигателя блокируются от слива, тем самым, блокируя выходное звено гидродвигателя от перемещений.

Рис.в)-показывает положение толкателя при подводе давления в канал В
При установке гидрозамков в гидросистеме необходимо учитывать их конструктивное исполнение (тип), способ нагружения выходного звена гидродвигателя, а также место размещения при этом дросселей с обратными клапанами—до или после гидрозамка. Дроссели с обратными клапанами свободно пропускают поток рабочей жидкости на подъем рабочего органа и ограничивают расход рабочей жидкости и соответственно скорость рабочего органа при его опускании. Для исключения прерывистых движений рабочего органа и пульсации давления рекомендуется между гидрозамком и гидроцилиндром устанавливать дроссель с обратным клапаном, сопротивление которого при опускании штока создает давление, необходимое для открытия обратного клапана гидрозамка и поддержания его в том положении.
Гидрозамки типа ГЗМ- имеют условный проход 6мм и 10мм и работают на номинальном давлении 32 МПа.
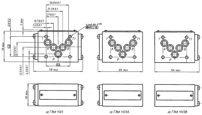
Буквы А, В в обозначении гидрозамка указывают на то, в какой гидролинии расположен запорный элемент, без буквенных символов—запорный элемент в обеих гидролиниях, М-модернизированная конструкция. Примеры условных обозначений приведены ниже на рисунках, где А, В-гидролинии, Р-напорная гидролиния, Т-сливная гидролиния, Т1-дополнительная сливная гидролиния.:

Технические характеристики гидрозамков типа ГЗМ-6/3 и ГЗМ-10/3:
| Параметр | Типоразмер | |||
| ГЗМ-6/3 | ГЗМ-6/3А | ГЗМ-6/3В | ГЗМ-10 | |
| Условный проход, мм | 6 | 10 | ||
| Давление на входе, МПа: - номинальное - максимальное - минимальное | 32 35 0,35 | 32 35 0,7 | ||
| Максимально допустимое давление на выходе (сливе), МПа | 32 | 35 | ||
| Давление открывания обратного клапана, МПа | 0,05 | |||
| Давление управления, МПа: - максимальное - минимальное | 32 0,35 | 35 13 | ||
| Расход рабочей жидкости, л/мин.: - номинальный - максимальный | 12,5 30,0 | 63,0 100,0 | ||
| Объем камеры управления, см³ | 0,53 | 1,2 | ||
| Соотношение рабочих площадей | 1:8 | 1:3 | ||
| Внутренняя герметичность (максимальные внутренние утечки), см³/мин.: - в сопряжении клапан-седло - по поршню | 1 40 | 0,5 150 | ||
Масса, кг | 1,08 | 0,92 | 2,2 | |
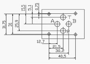
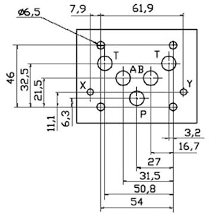
Присоединительные и габаритные размеры гидрозамков типа ГЗМ-6/3М и ГЗМ-10/3М:
ГИДРОЗАМОК ГЗМ-6/3М


ГИДРОЗАМОК ГЗМ-10/3М


производитель
Россия
Если вы хотите купить гидрозамки ГЗМ 6/3М и ГЗМ 10/3М , вы можете:
Позвонить:
